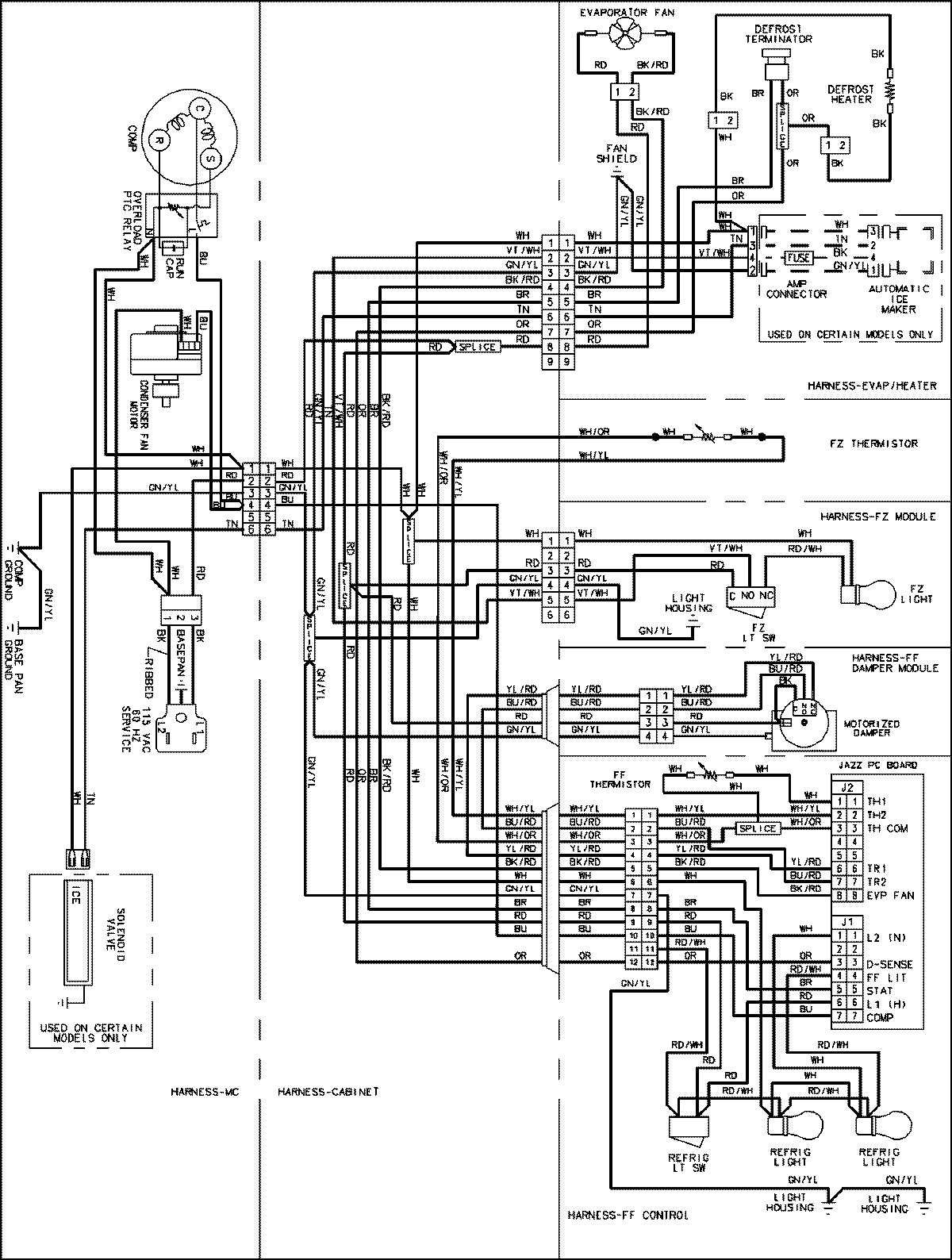
MBF2558HEQ 13 – WIRING INFORMATIONadmin2025-04-26T13:12:11+00:00MBF2558HEQ 13 – WIRING INFORMATION ProductsPositionProductNIMAY 15003510