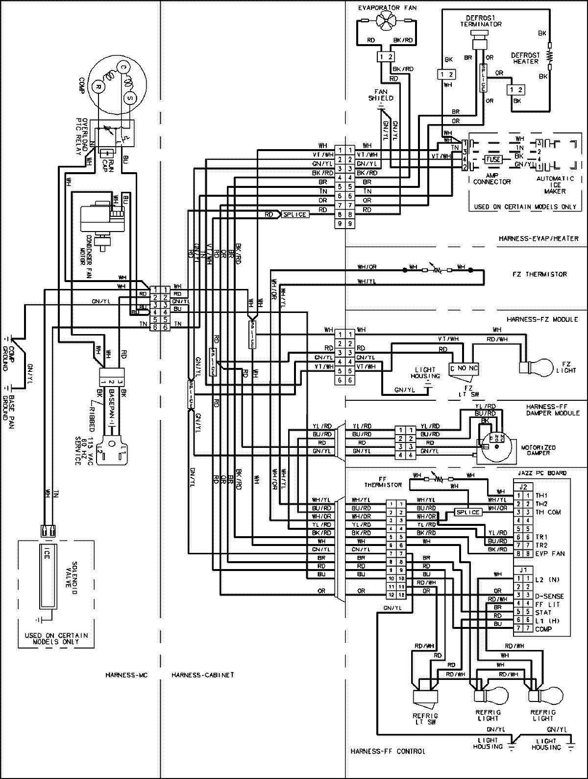
MBF2558HEW 13 – WIRING INFORMATIONadmin2025-04-26T13:10:28+00:00MBF2558HEW 13 – WIRING INFORMATION ProductsPositionProductNIMAY 15003510