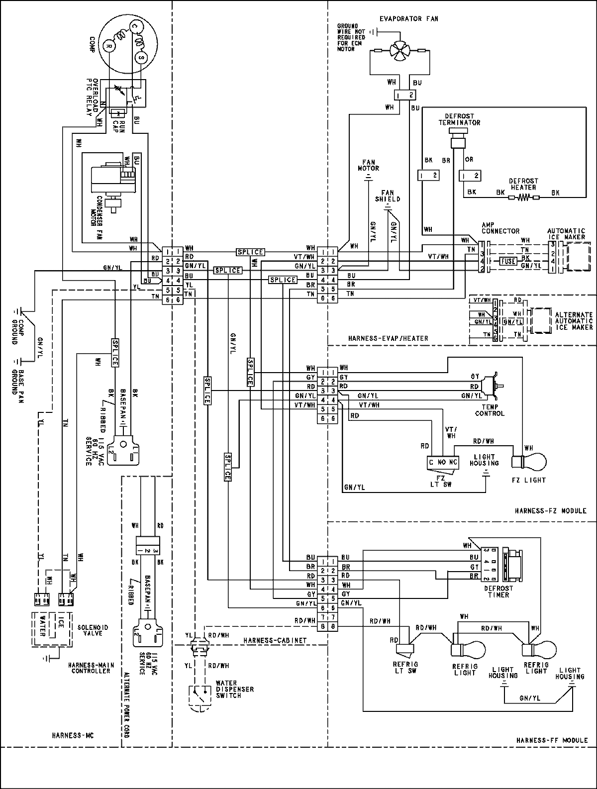
MBL1952KES 12 – WIRING INFORMATIONadmin2025-04-26T13:09:37+00:00MBL1952KES 12 – WIRING INFORMATION ProductsPositionProduct1MAY 15003953