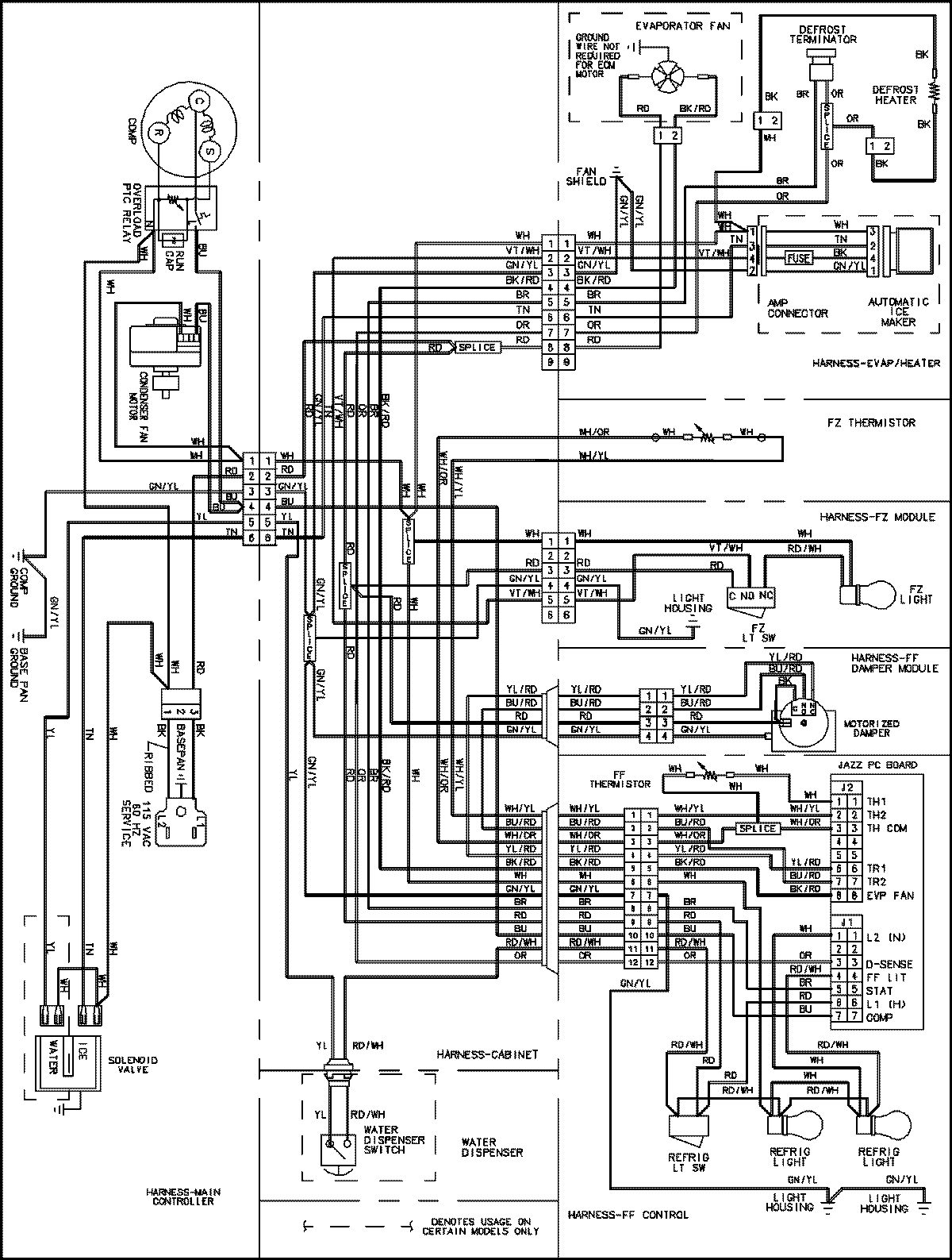
MBL1956HES 12 – WIRING INFORMATIONadmin2025-04-26T11:35:32+00:00MBL1956HES 12 – WIRING INFORMATION ProductsPositionProductNIMAY 15003700