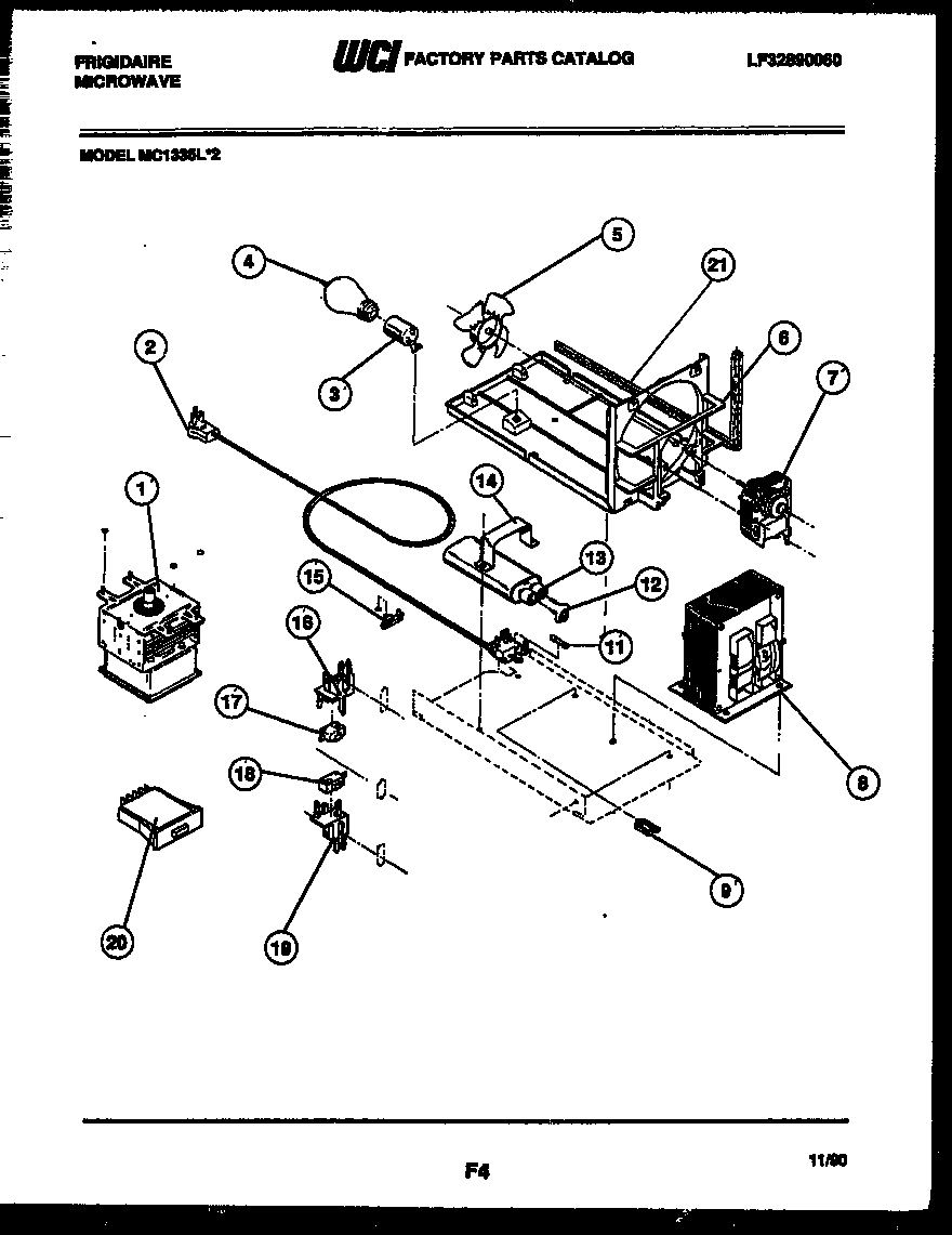
MC1335L2 04 – POWER CONTROLadmin2025-04-26T08:56:57+00:00MC1335L2 04 – POWER CONTROL ProductsPositionProduct1WCI 53032067812CORD-POWER3WCI 53030911974316538904 Frigidaire Oven Lamp Light5WCI 53032031926DUCT-AIR7WCI 53080376368WCI 53080376269AWCI 181T175F1589CLIP11FUSE-20 AMP12DIODE HIGH VOLTAGE13WCI 530301186014WCI 530301377115WCI 530309128018WCI 530320363619BRACKET (2)20AWCI 530301825120BINSULATOR20SWITCH-MONITOR21SEAL-FOAM CUT TO SIZE