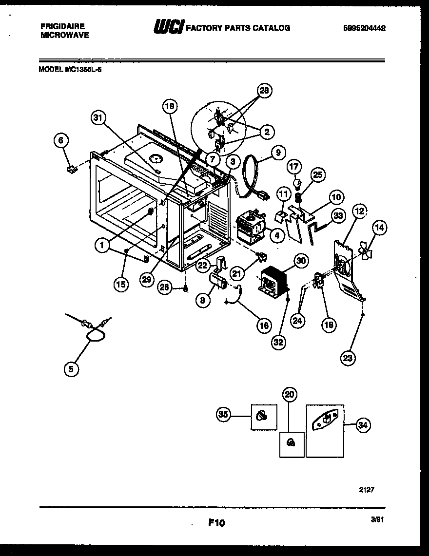
MC1355L5 04 – FUNCTIONAL PARTS