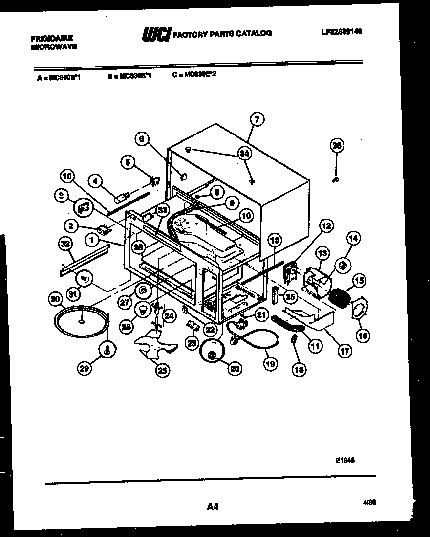
MC830E1 04 – BODY PARTS