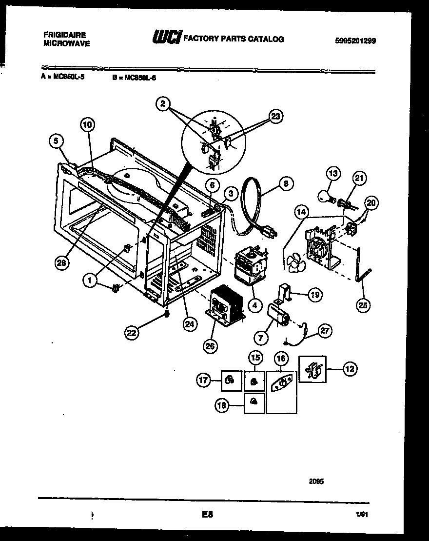
MC850L6 04 – FUNCTIONAL PARTSadmin2025-04-26T09:29:36+00:00MC850L6 04 – FUNCTIONAL PARTS ProductsPositionProduct*40664WCI 5303017865*40664216273000 Frigidaire Refrigerator Strap1WCI 53032127672BRACKET (2)3WCI 53032127694WCI 53032067815SWITCH-MONITOR6FUSE-20 AMP7WCI 53032127738WCI 530321277410WCI 530321278312WCI 530321278713LAMP-120V14WCI 530392205315PLUG-BUTTON16PLUG-BUTTON17PLUG-BUTTON (8)18PLUG-BUTTON TRAY (2)19WCI 530301377120SCREW-6-32 X 1-1/8 PH TR SEMS (NON-ILLUSTRATED)21SOCKET, OVEN LAMP, 120V22FOOT (4)23WCI 530320363624WCI 530321284525SEAL-FOAM CUT TO SIZE26WCI 530321281127WCI 530321279927AWCI 530321279628WCI 5303018849