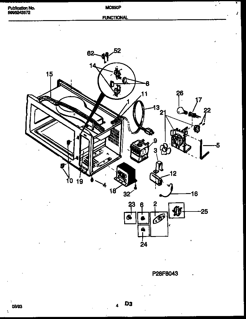
MC850P11 04 – FUNCTIONAL PARTSadmin2025-04-26T09:29:34+00:00MC850P11 04 – FUNCTIONAL PARTS ProductsPositionProduct*81846WCI 3170003291WCI 53080377232PLUG-BUTTON3WCI 53030137714WCI 53032953145SEAL-FOAM CUT TO SIZE6PLUG-BUTTON8WCI 53032036369WCI 530320678110WCI 530321276711WCI 530321276912WCI 530321277313WCI 31700540114WCI 31700070215WCI 530321278316WCI 530321279917SOCKET, OVEN LAMP, 120V18WCI 530321281119WCI 530321284521AHEX NUT21WCI 530392205322SCREW-6-32 X 1-1/8 PH TR SEMS (NON-ILLUSTRATED)23PLUG-BUTTON (8)24PLUG-BUTTON TRAY (2)25WCI 530321278726WCI 530327217232SCREW - TRANS (4) (NON-ILLUSTRATED)52WCI 31700510462WCI 317005103