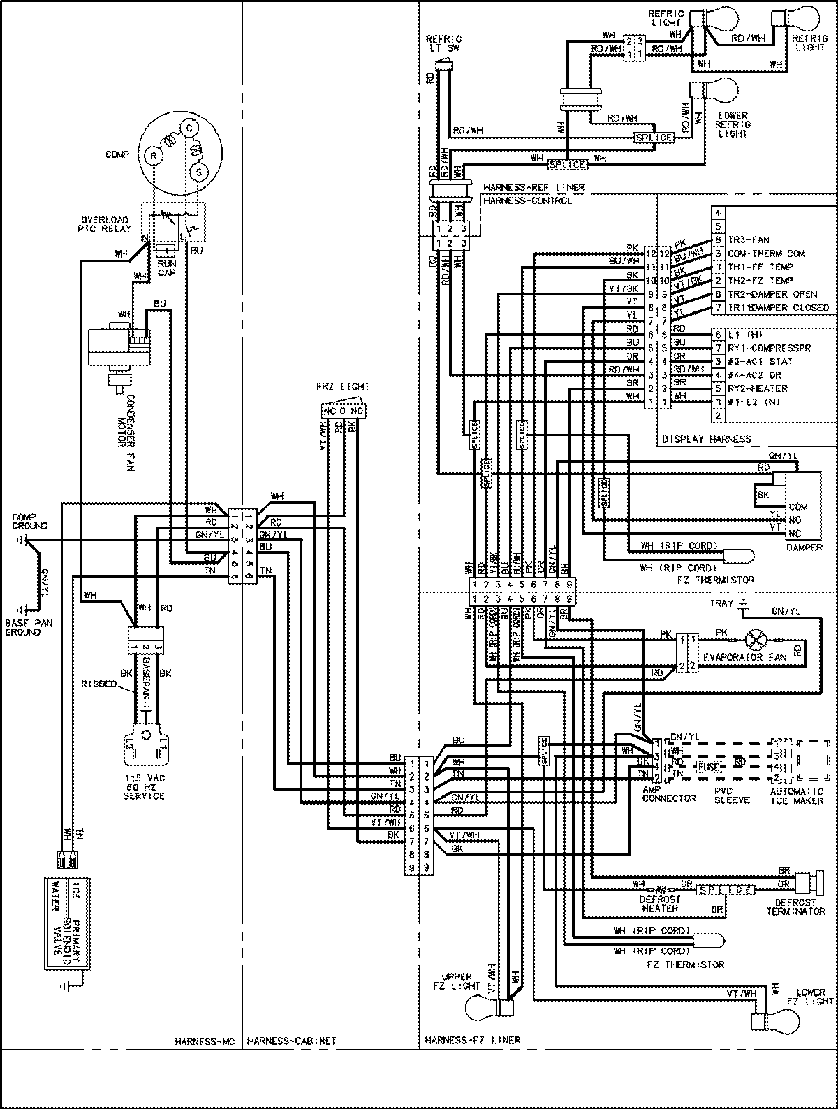
MCB2256HEB 17 – WIRING INFORMATIONadmin2025-04-26T11:35:44+00:00MCB2256HEB 17 – WIRING INFORMATION ProductsPositionProductNIMAY 15003553