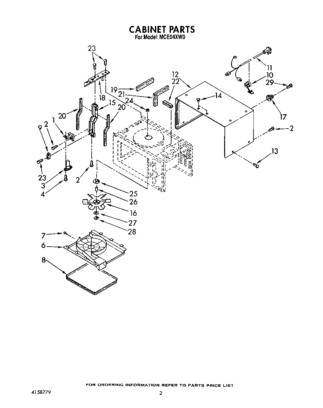
MCE04XW0 02 – CABINET