| *38531 | WCI 154200601 |
| *38534 | 808690701 Frigidaire Dishwasher Screw |
| *38533 | WCI 5300807270 |
| *38532 | 5300807373 Frigidaire WASHER |
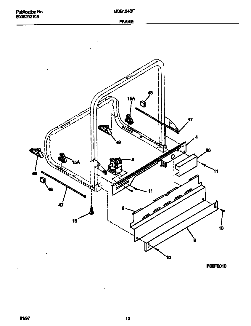
| 3 | 154637401 Frigidaire Dishwasher Fill Valve Water |
| 4 | 5304508587 Frigidaire Dishwasher Brace |
| 8 | 154745503 Frigidaire Dishwasher Toe Panel |
| 9 | 5304501484 Frigidaire Dishwasher Assembly Toekick Plate |
| 10 | 154419403 Frigidaire Dishwasher Screw |
| 11 | 154200701 Frigidaire Dishwasher Screw |
| 15A | WCI 154210901 |
| 15 | WCI 154227101 |
| 15B | WCI 154286801 |
| 20 | WCI 154209601 |
| 47 | WCI 154227301 |
| 48 | WCI 154227201 |
| 49 | WCI 154227401 |