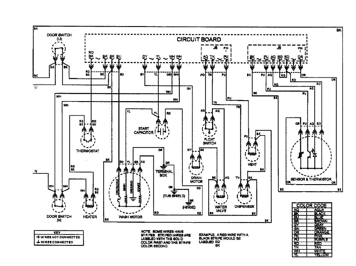
MDB8600AWB 09 – WIRING INFORMATIONadmin2025-04-26T10:01:46+00:00MDB8600AWB 09 – WIRING INFORMATION ProductsPositionProductNIMAY 15003043NIMAY 15003316