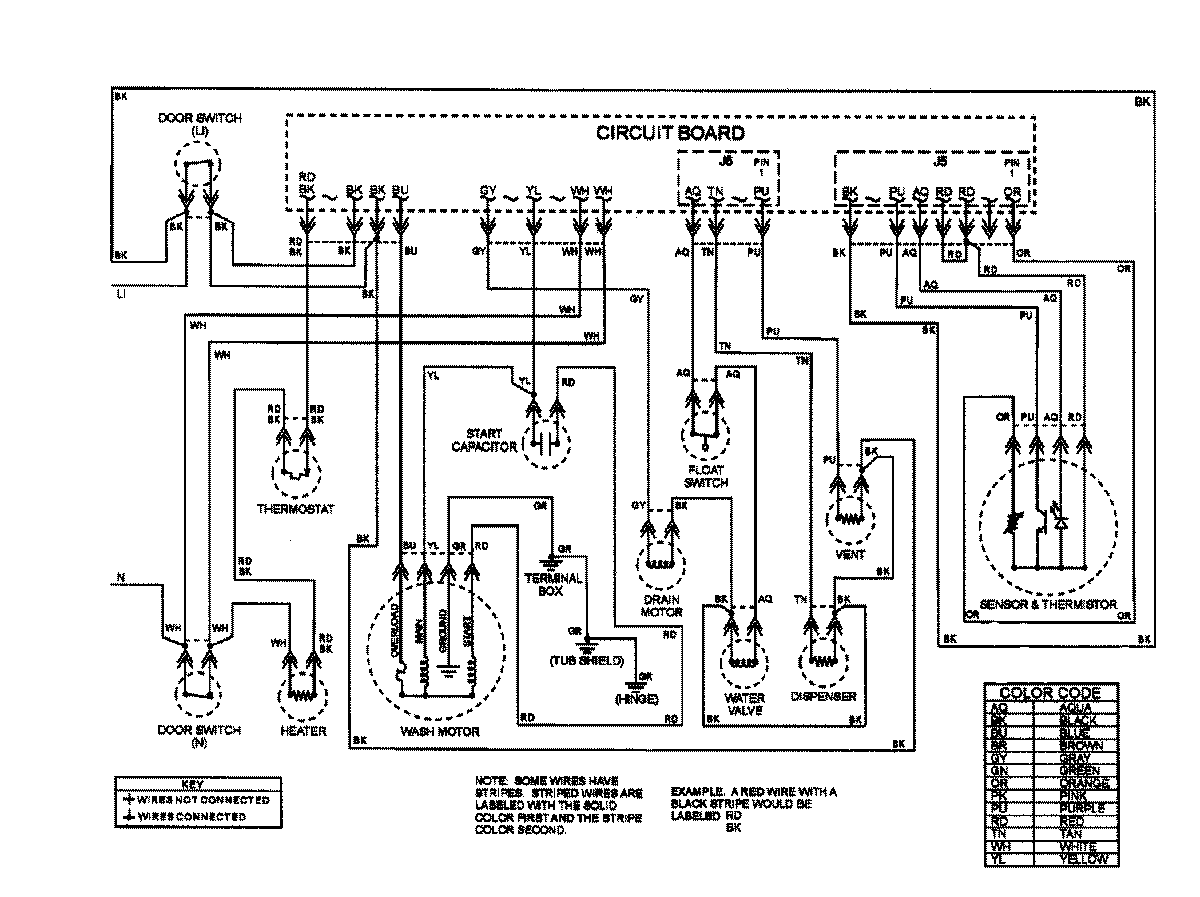
MDB8600AWQ 09 – WIRING INFORMATIONadmin2025-04-26T10:00:35+00:00MDB8600AWQ 09 – WIRING INFORMATION ProductsPositionProductNIMAY 15003043NIMAY 15003316