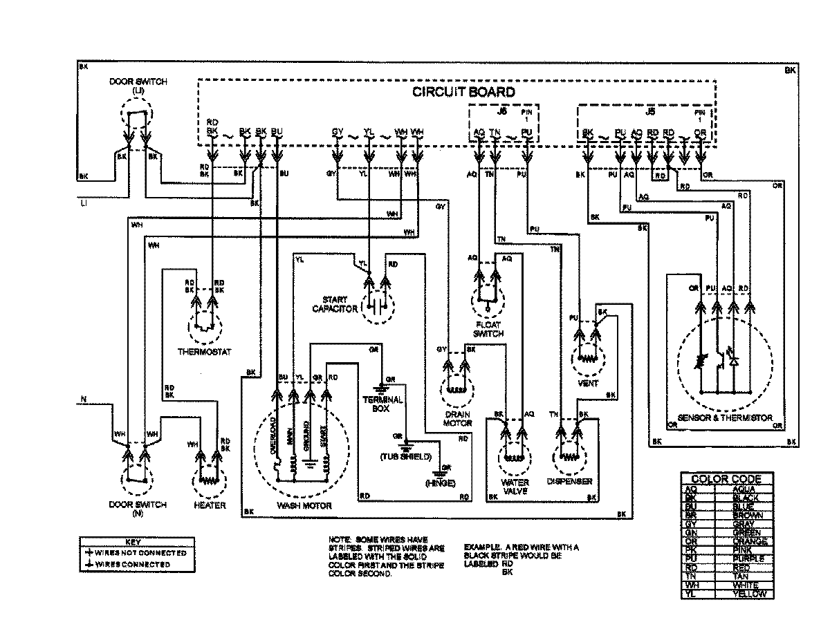
MDB8600AWW 09 – WIRING INFORMATIONadmin2025-04-26T10:02:47+00:00MDB8600AWW 09 – WIRING INFORMATION ProductsPositionProductNIMAY 15003043NIMAY 15003316