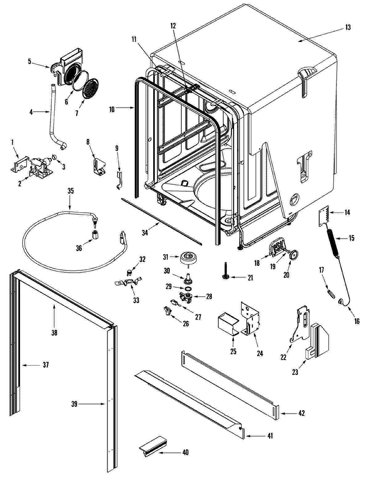
MDB8750AWQ 06 – TUB