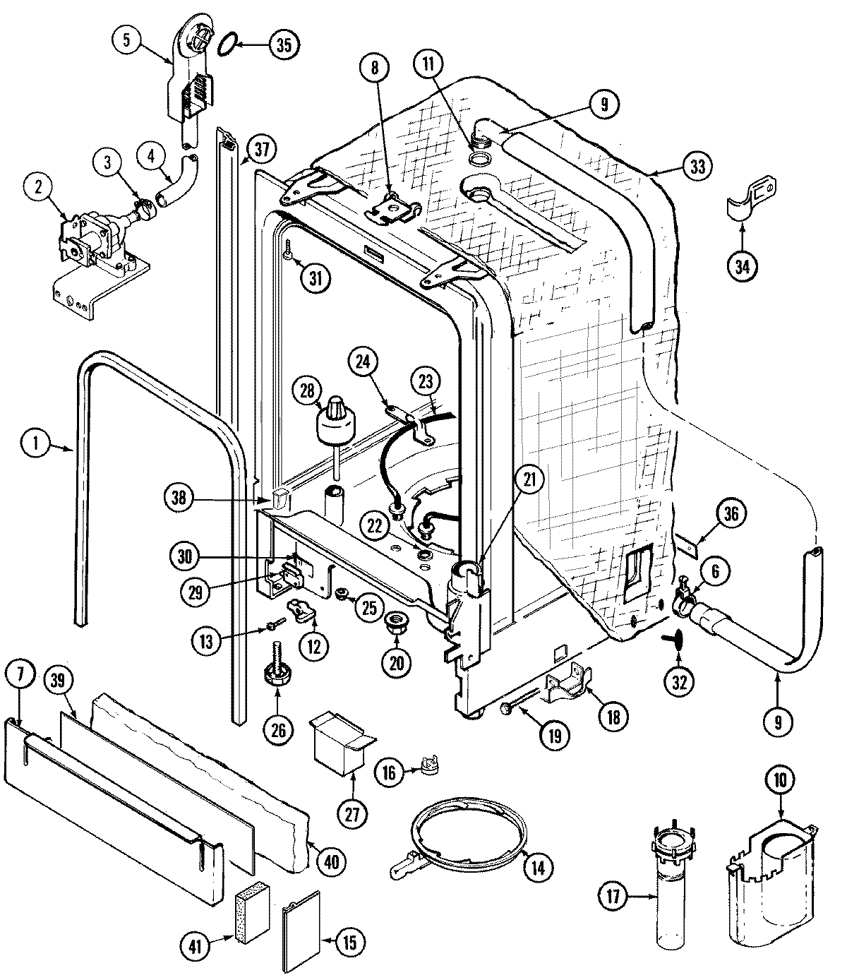
MDB9000AWB 06 – TUB