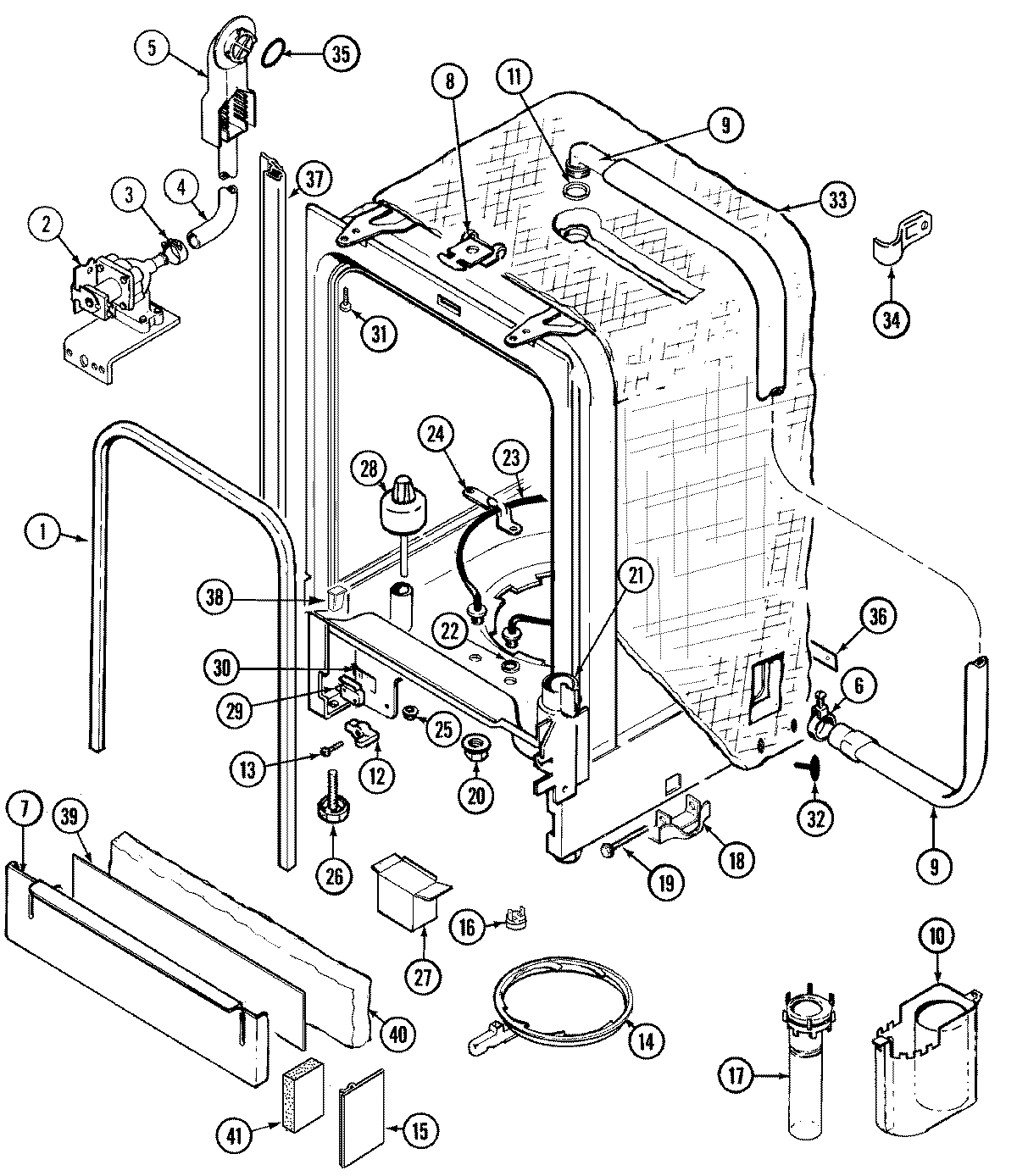
MDB9000AWW 06 – TUB