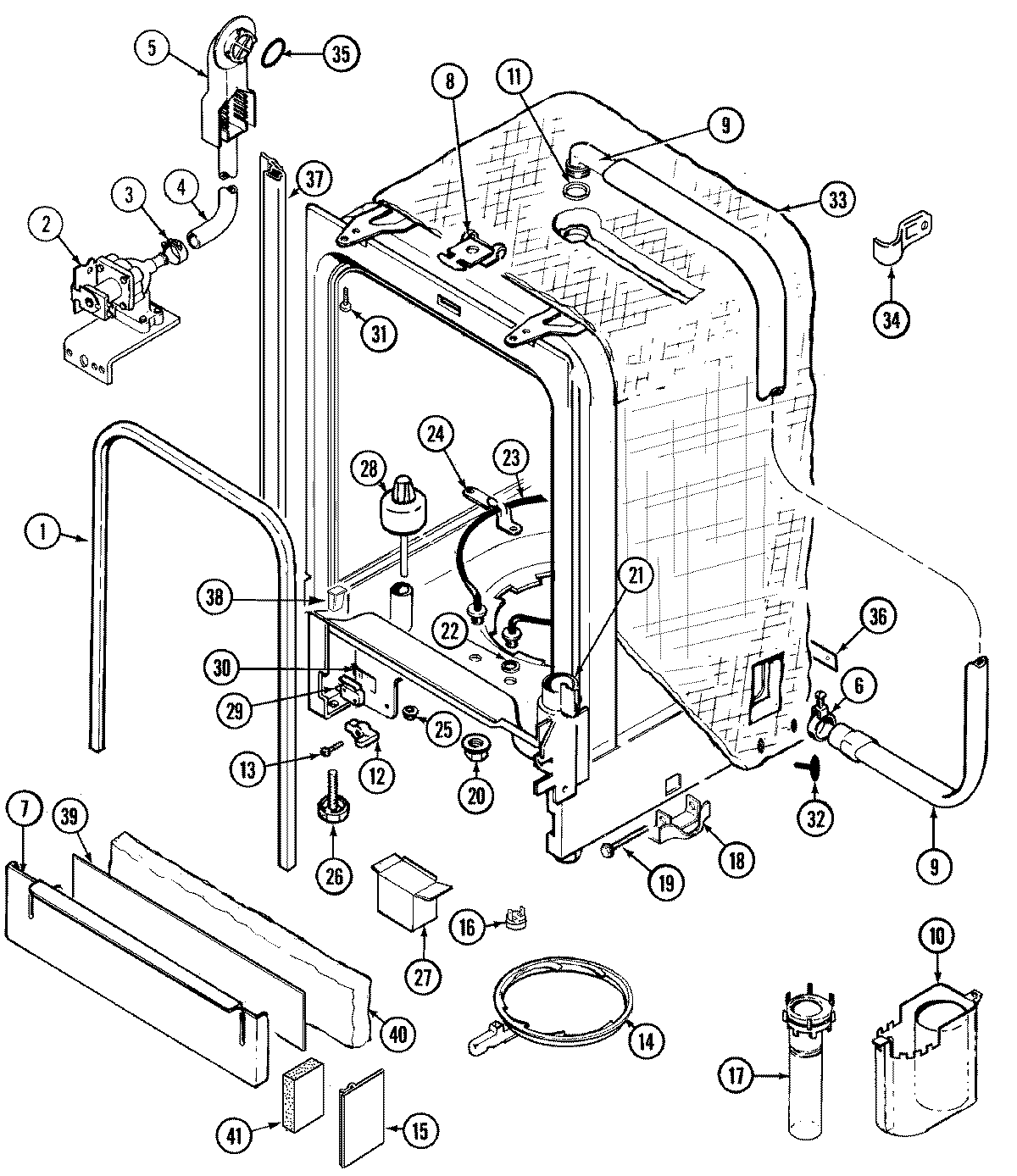
MDB9100AWB 06 – TUB