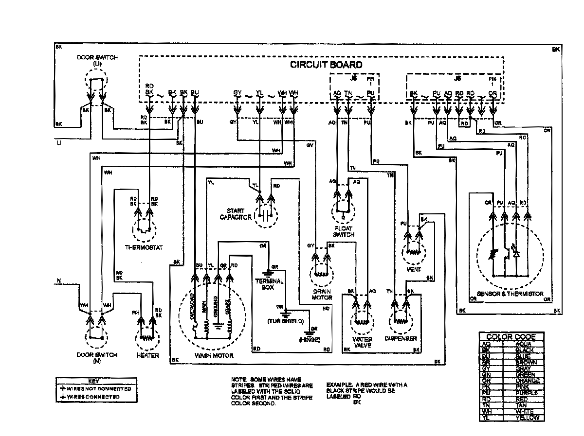
MDB9600AWB 09 – WIRING INFORMATIONadmin2025-04-26T10:07:48+00:00MDB9600AWB 09 – WIRING INFORMATION ProductsPositionProductNIMAY 15003043NIMAY 15003316