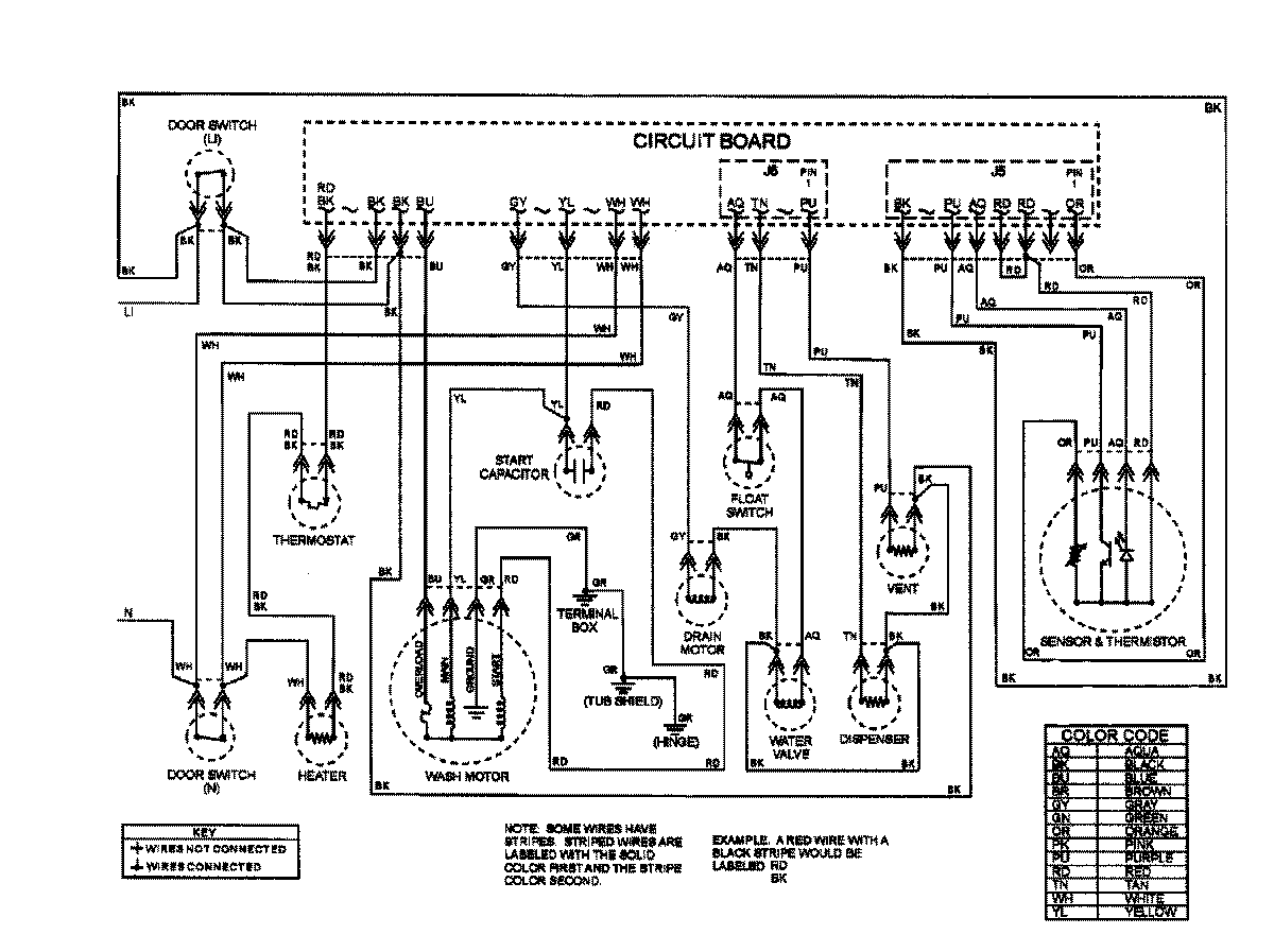
MDB9600AWS 09 – WIRING INFORMATIONadmin2025-04-26T10:10:31+00:00MDB9600AWS 09 – WIRING INFORMATION ProductsPositionProductNIMAY 15003043NIMAY 15003316