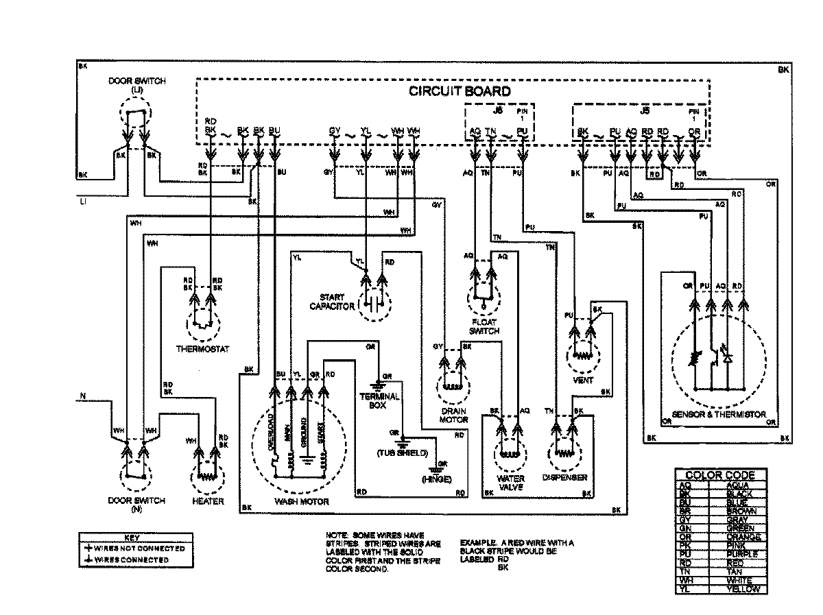
MDBF550AWB 08 – WIRING INFORMATIONadmin2025-04-26T10:07:51+00:00MDBF550AWB 08 – WIRING INFORMATION ProductsPositionProductNIMAY 15003043NIMAY 15003316