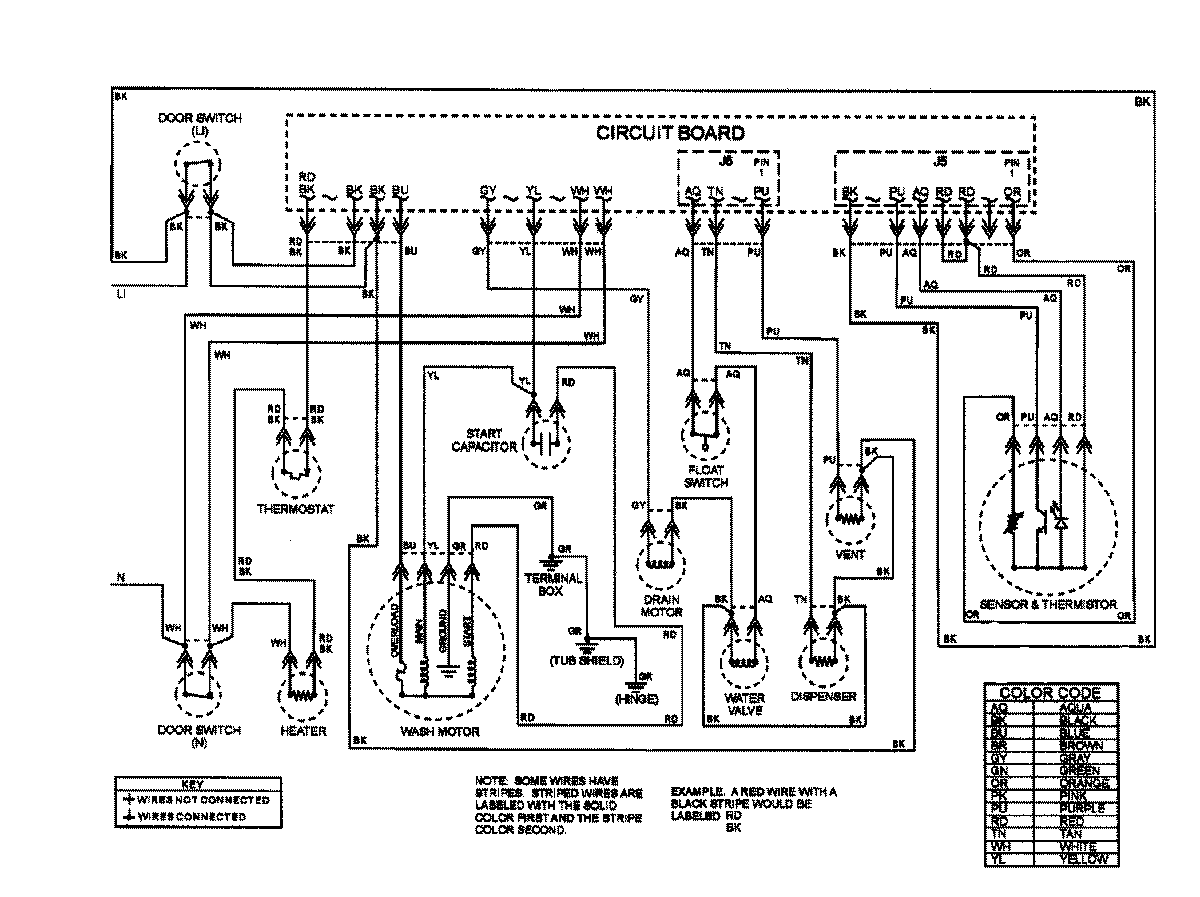
MDBF550AWQ 08 – WIRING INFORMATIONadmin2025-04-26T10:10:17+00:00MDBF550AWQ 08 – WIRING INFORMATION ProductsPositionProductNIMAY 15003043NIMAY 15003316