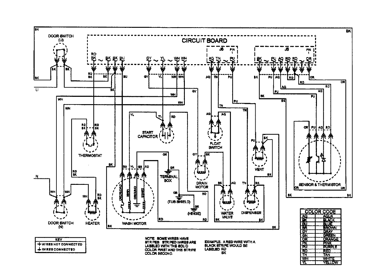
MDBF750AWS 08 – WIRING INFORMATION

MDBF750AWS 08 – WIRING INFORMATION

Products

PositionProduct
NIMAY 15003043
NIMAY 15003316