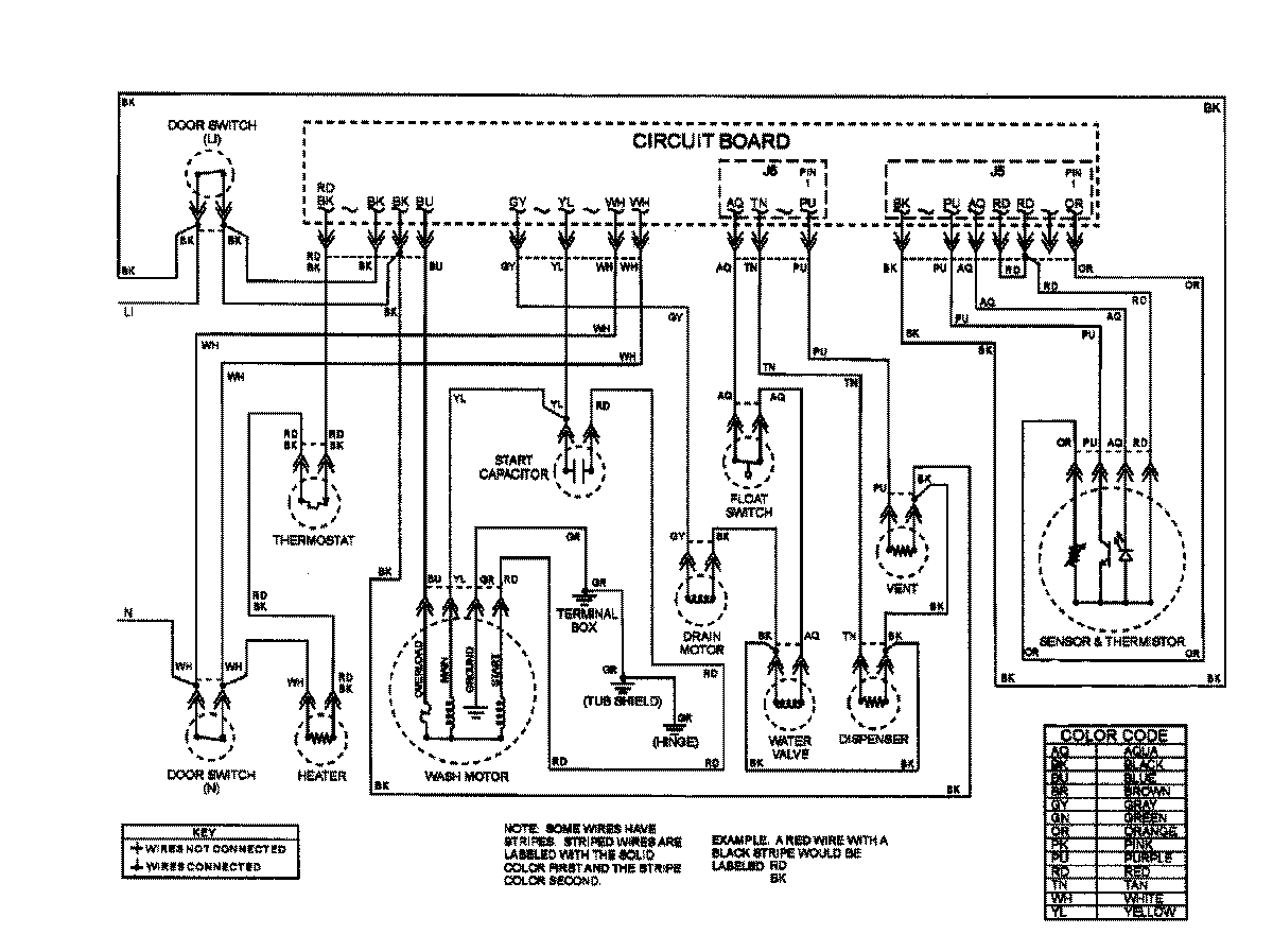
MDBH950AWB 08 – WIRING INFORMATIONadmin2025-04-26T10:10:52+00:00MDBH950AWB 08 – WIRING INFORMATION ProductsPositionProductNIMAY 15003043NIMAY 15003316