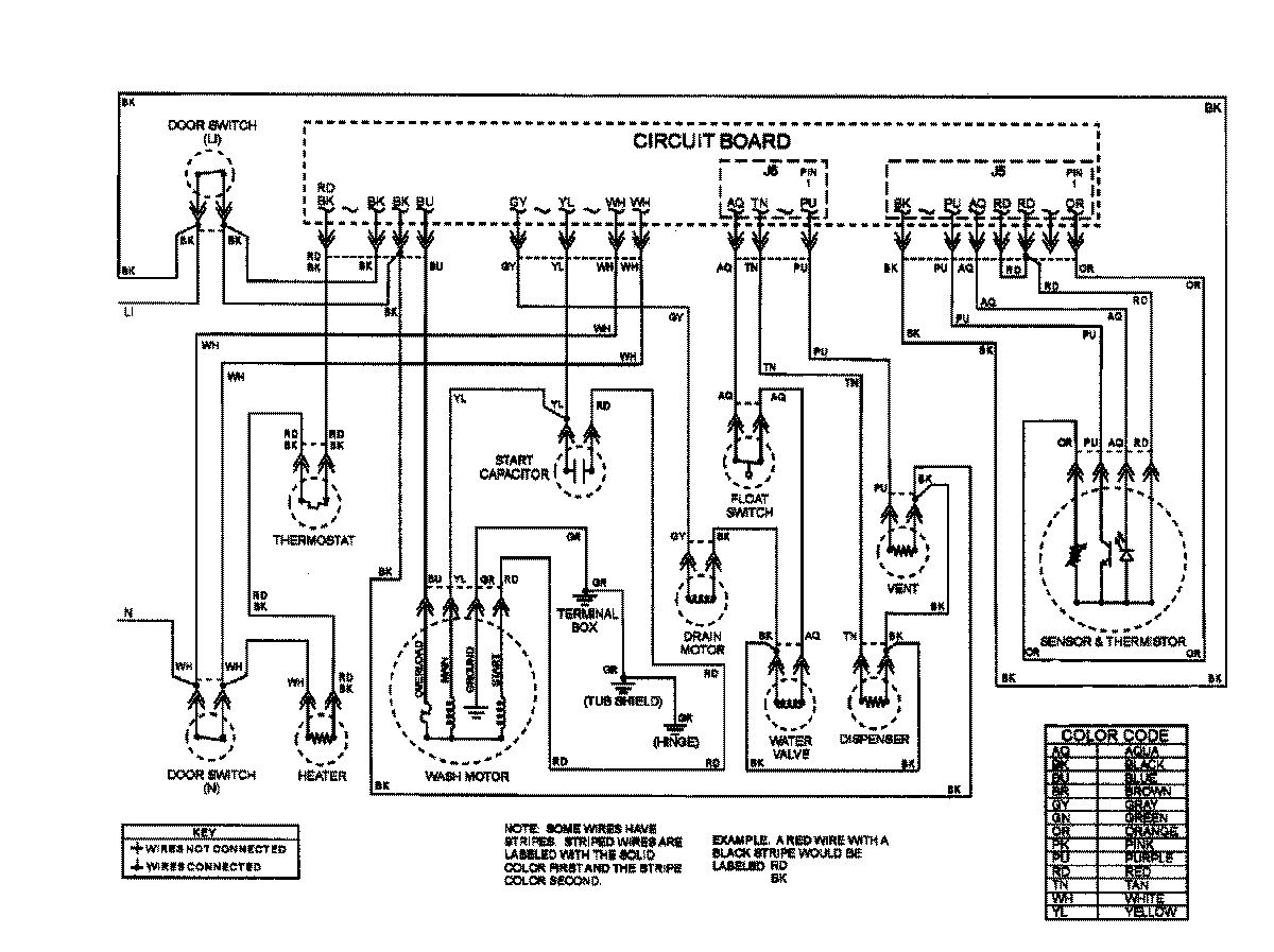
MDBH950AWQ 08 – WIRING INFORMATIONadmin2025-04-26T10:09:26+00:00MDBH950AWQ 08 – WIRING INFORMATION ProductsPositionProductNIMAY 15003043NIMAY 15003316