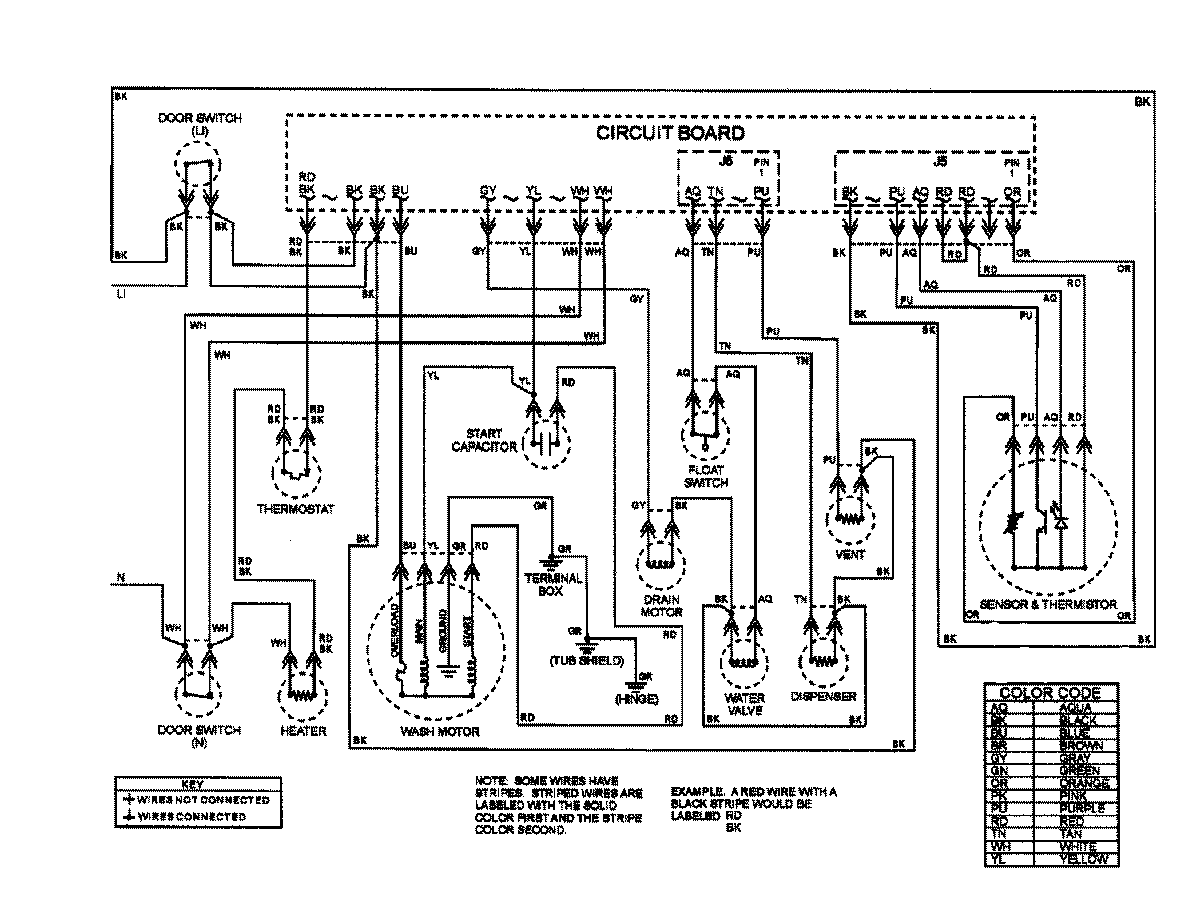
MDBH950AWS 08 – WIRING INFORMATIONadmin2025-04-26T10:10:26+00:00MDBH950AWS 08 – WIRING INFORMATION ProductsPositionProductNIMAY 15003043NIMAY 15003316