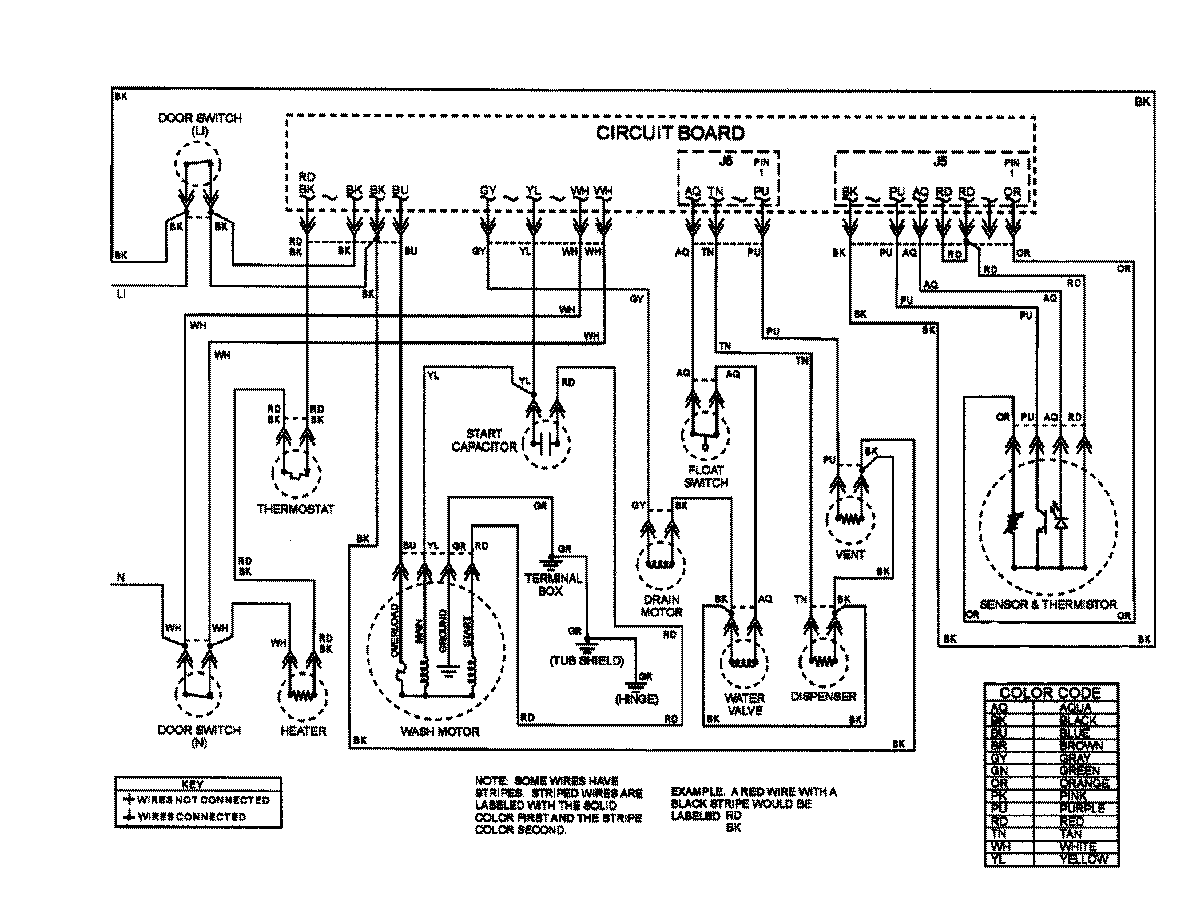
MDBH950AWW 08 – WIRING INFORMATIONadmin2025-04-26T10:11:39+00:00MDBH950AWW 08 – WIRING INFORMATION ProductsPositionProductNIMAY 15003043NIMAY 15003316