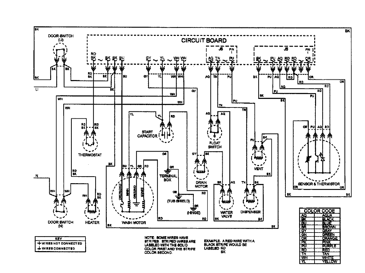
MDBH970AWS 08 – WIRING INFORMATIONadmin2025-04-26T10:11:40+00:00MDBH970AWS 08 – WIRING INFORMATION ProductsPositionProductNIMAY 15003043NIMAY 15003316