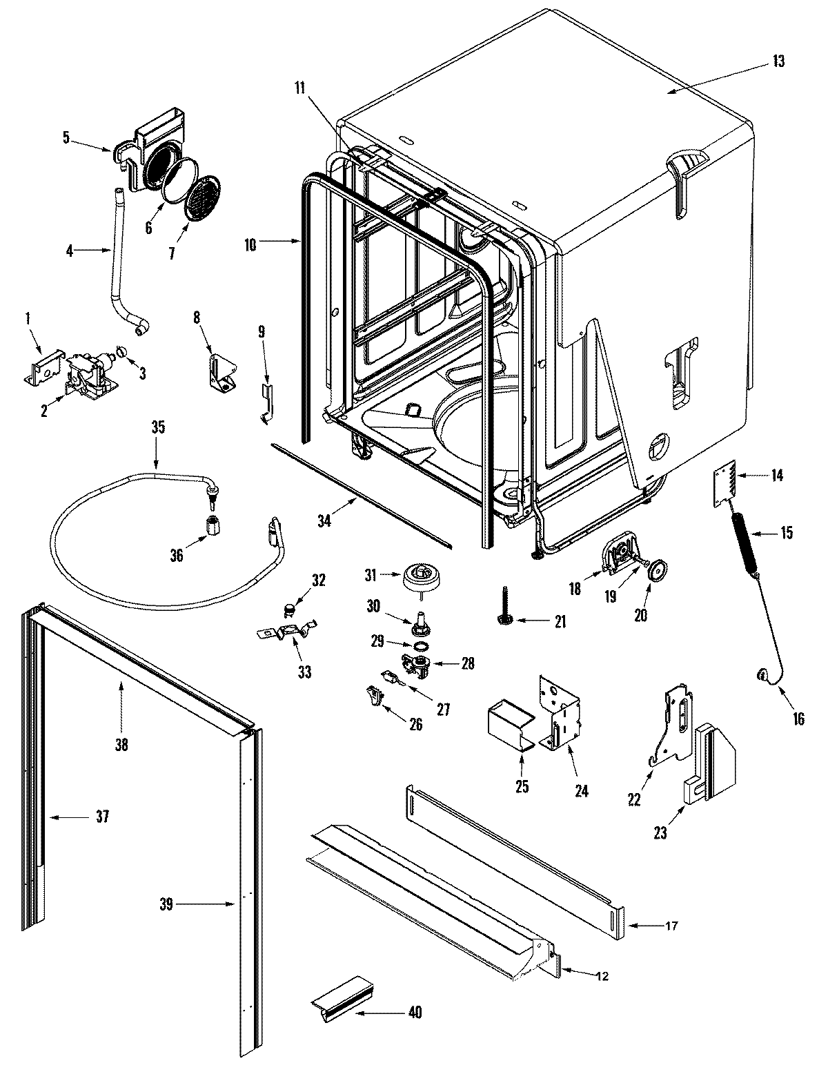
MDBH975AWB 06 – TUB