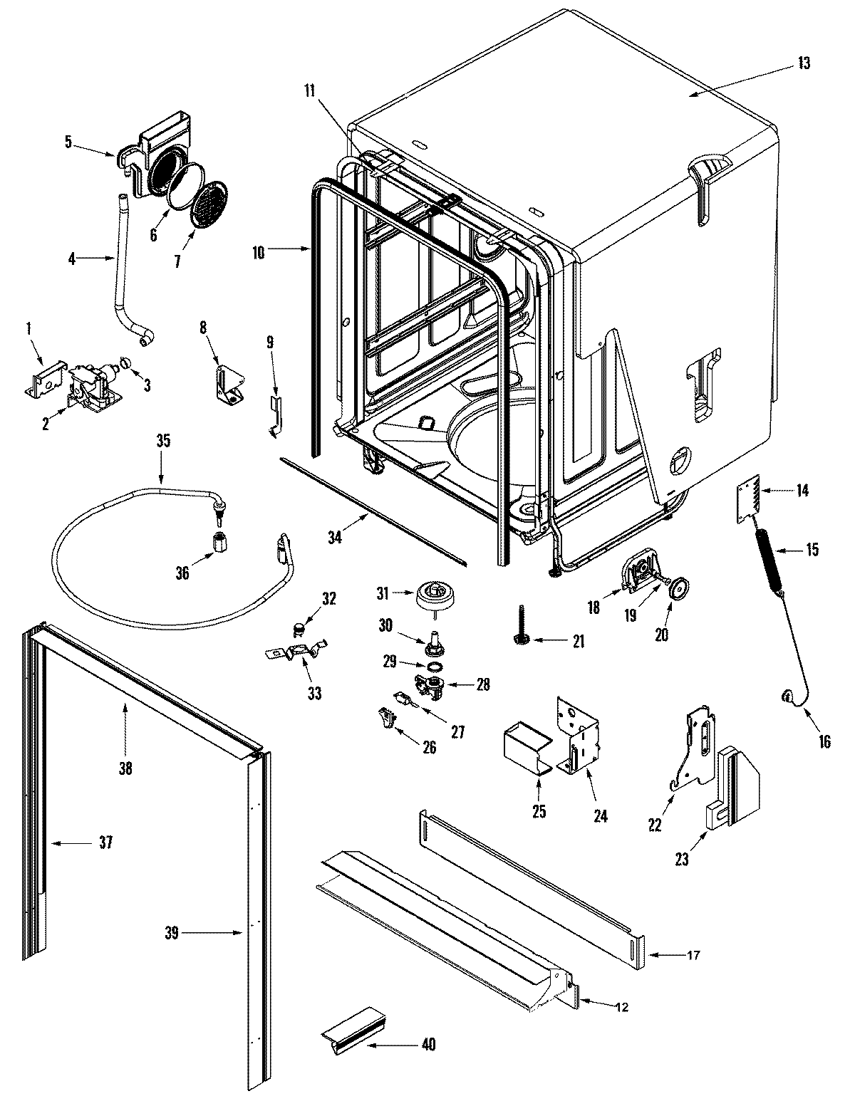
MDBH975AWW 06 – TUB