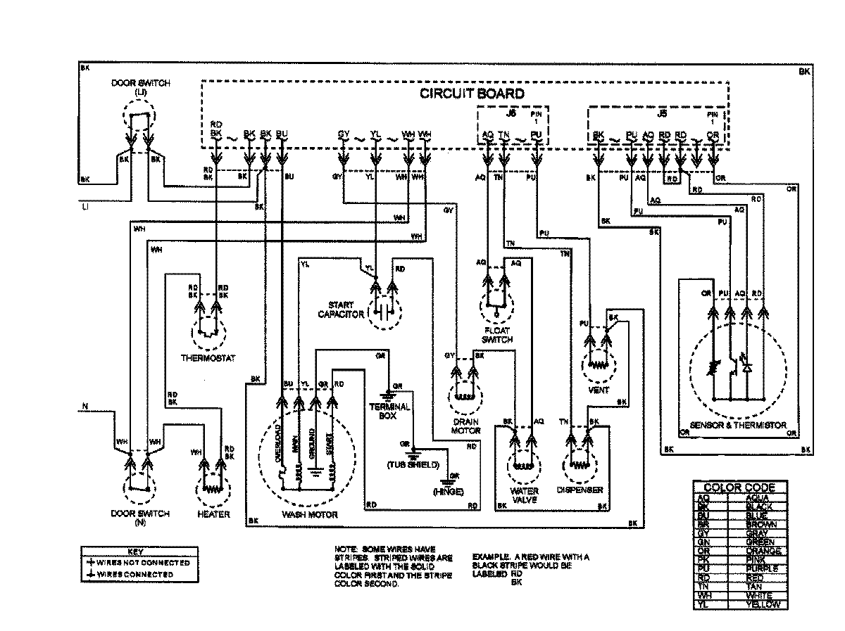
MDBTT59AWS 08 – WIRING INFORMATIONadmin2025-04-26T10:07:32+00:00MDBTT59AWS 08 – WIRING INFORMATION ProductsPositionProductNIMAY 15003043NIMAY 15003316