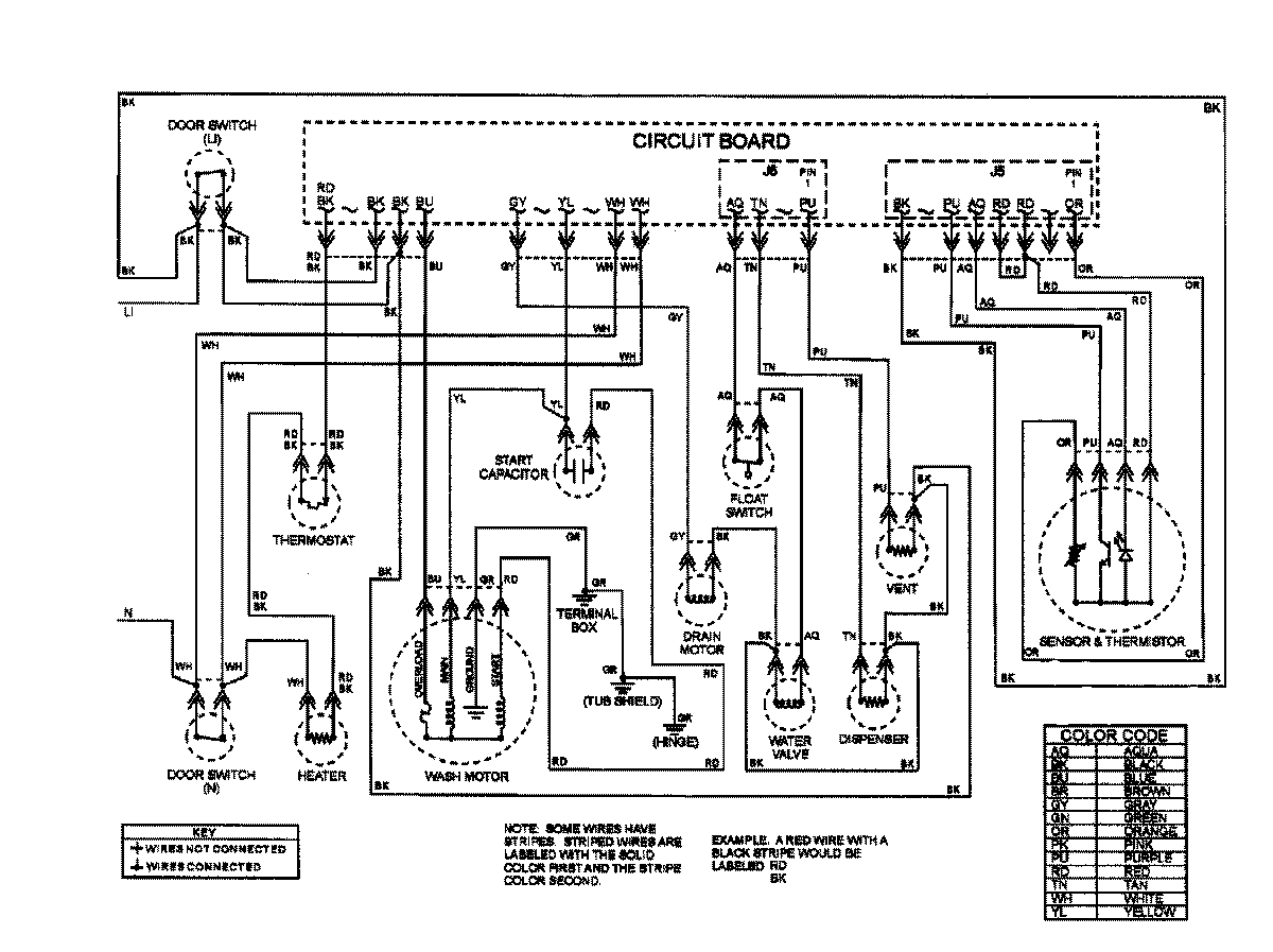
MDBTT79AWS 08 – WIRING INFORMATIONadmin2025-04-26T10:08:36+00:00MDBTT79AWS 08 – WIRING INFORMATION ProductsPositionProductNIMAY 15003043NIMAY 15003316