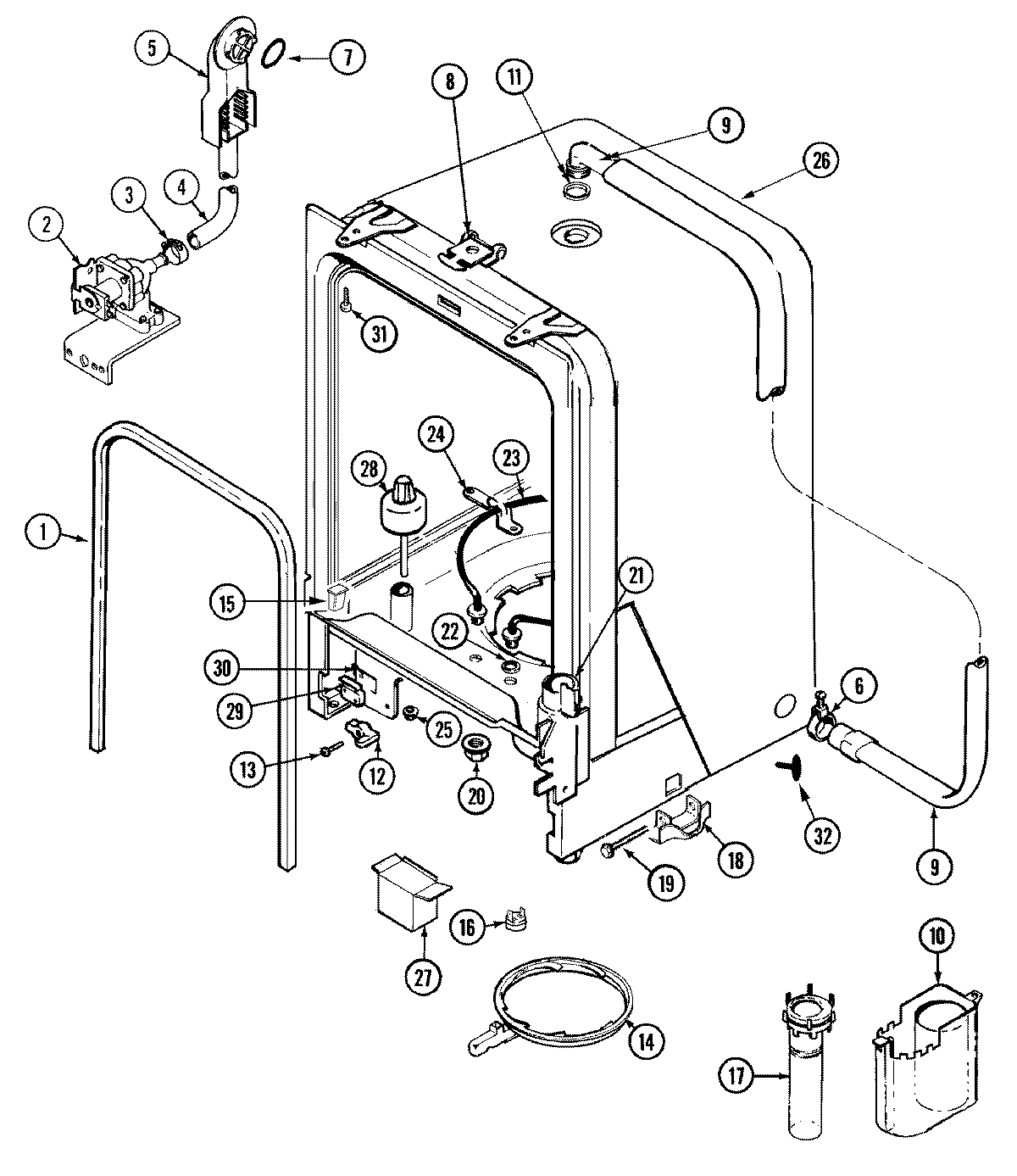
MDC5100AWW 07 – TUB