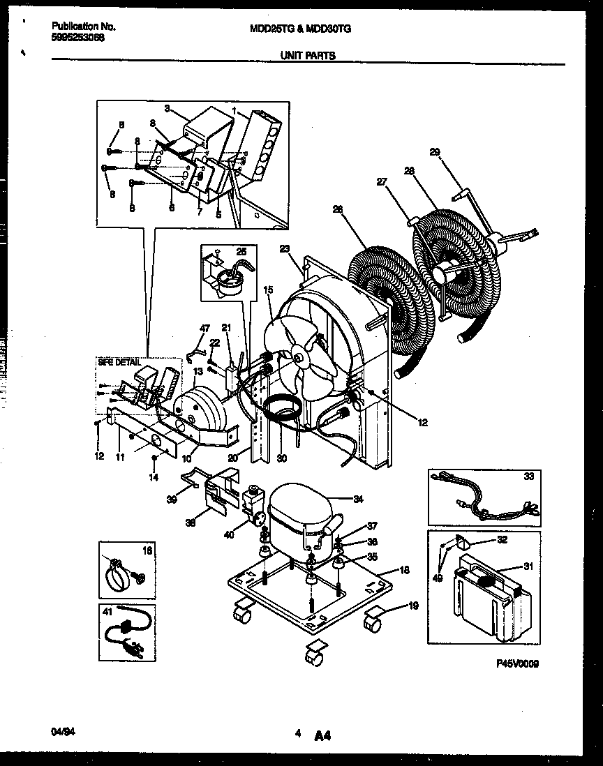
MDD25TG1 03 – UNIT PARTSadmin2025-04-26T09:30:25+00:00MDD25TG1 03 – UNIT PARTS ProductsPositionProduct1WCI 53032968233BRACKET-CONTROL5WCI 53030123456WCI 53032968247WCI 30160938WCI 530300762010WCI 530329682811WCI 530329682912WCI 300280113WCI 530327914414WCI 0800748115FAN BLADE16WCI 530330369918BASE W/ CASTERS19WCI 530327527820BRACKET21WCI 530801643722SCREW-SWITCH, SHUT OFF23SHROUD25WCI 530327914926WCI 301745827CLAMP-EVAPORATOR INNER28WCI 301795429CLAMP-EVAPORATOR OUTER30CAPILLARY TUBE-CUT TO 25``31WCI 530328128833WCI 530327914534WCI 530327187835WCI 530300177736WASHER-COMPRESSOR37NUT-COMPRESSOR38COVER-TERMINAL39STRAP-COVER40WCI 530300302041CORD-POWER49WCI 5303296826