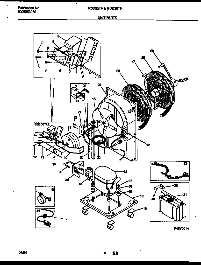
MDD30TF1 03 – UNIT PARTS