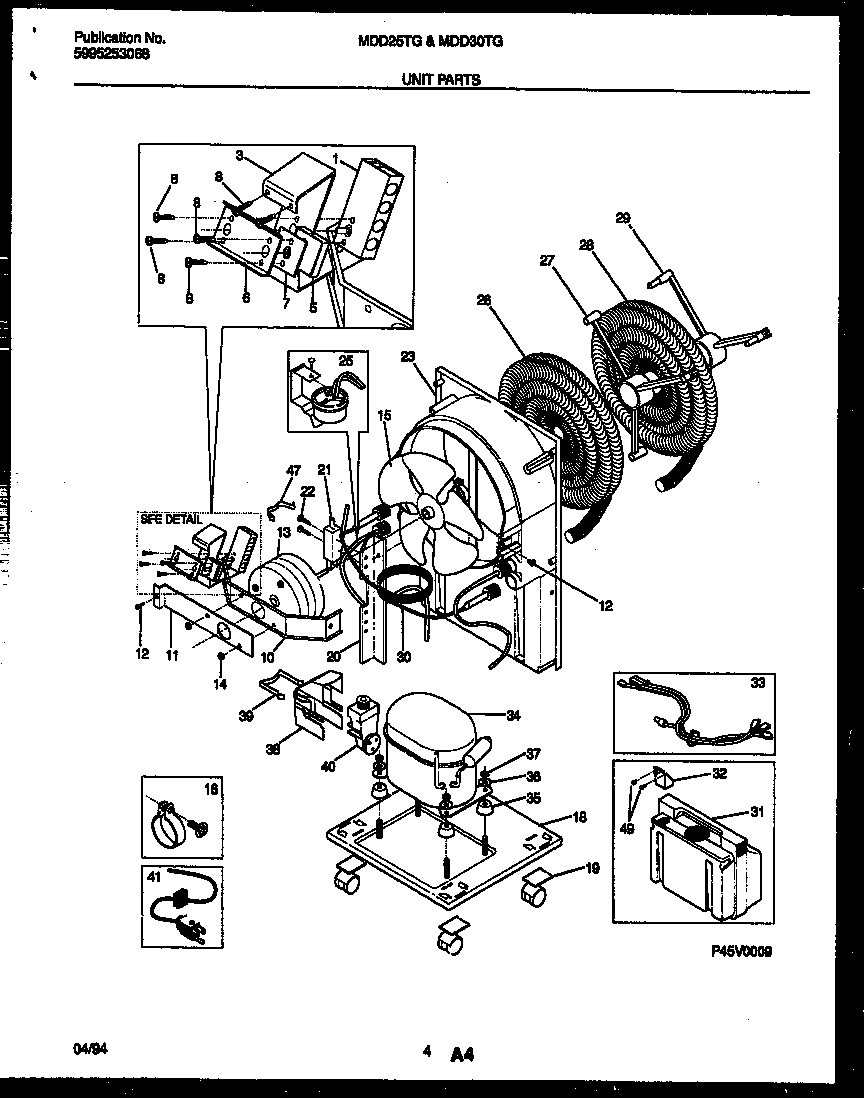
MDD30TG2 03 – UNIT PARTSadmin2025-04-26T09:30:28+00:00MDD30TG2 03 – UNIT PARTS ProductsPositionProduct1WCI 53032968233BRACKET-CONTROL5WCI 53030123456WCI 53032968247WCI 30160938WCI 530300762010WCI 530329682811WCI 530329682912WCI 300280113WCI 530327914414WCI 0800748115FAN BLADE16WCI 530330369918WCI 530330350219WCI 530327527823WCI 530330350125WCI 530327914926WCI 301745827CLAMP-EVAPORATOR INNER28WCI 301795429CLAMP-EVAPORATOR OUTER30CAPILLARY TUBE, CUT TO 25``31WCI 530328128833WCI 530327914534WCI 530301538335WCI 530300177736WASHER-COMPRESSOR37NUT-COMPRESSOR38COVER-TERMINAL39STRAP-COVER40OVERLOAD/RELAY41CORD-POWER47WCI 32710000149WCI 5303296826