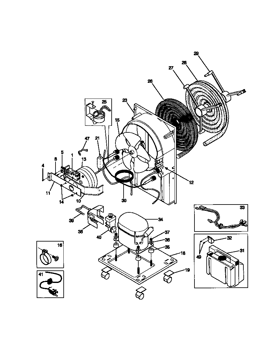
MDD40WF2 03 – UNIT