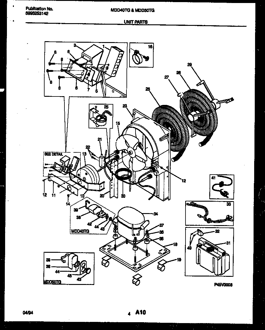
MDD50TG1 03 – UNIT PARTSadmin2025-04-26T09:29:45+00:00MDD50TG1 03 – UNIT PARTS ProductsPositionProduct1WCI 53032968233BRACKET-CONTROL5WCI 53030123456WCI 53032968247WCI 30160938WCI 530300762010WCI 530329682811WCI 530329682912WCI 300280113WCI 530327914414WCI 0800748115FAN BLADE16WCI 530330369918BASE W/ CASTERS19WCI 530327527820BRACKET21WCI 530801643722SCREW-SWITCH, SHUT OFF23SHROUD25WCI 530330082926WCI 530330082227CLAMP-EVAPORATOR INNER28WCI 301517229CLAMP-EVAPORATOR OUTER30CAPILLARY TUBE31WCI 530328128833WCI 530330472234WCI 301737035WCI 530300177736WASHER-COMPRESSOR37NUT-COMPRESSOR38WCI 301777439WCI 530800298541WCI 301737143WCI 301736944WCI 301201045WCI 301777346WCI 3205741