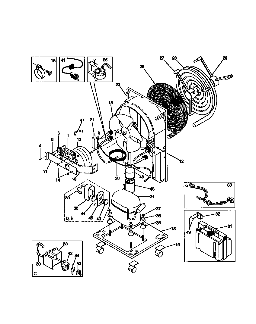
MDD50WF1 04 – UNIT P45V0042admin2025-04-26T09:29:09+00:00MDD50WF1 04 – UNIT P45V0042 ProductsPositionProduct1WCI 53032968234134178901 Frigidaire Screw5WCI 53030123458WCI 530300762010WCI 530329682811WCI 530329682913WCI 530330785314WCI 0800748115FAN BLADE16CAPILLARY TUBE16WCI 530330369918WCI 530330350219WCI 530327527821WCI 530801643723WCI 530330350124WCI 300280125WCI 530330829126WCI 530330082227CLAMP-EVAPORATOR INNER28WCI 301517229CLAMP-EVAPORATOR OUTER31WCI 530330567132WCI 530327252033WIRING HARNESS34WCI 301737035WCI 530300177736WASHER-COMPRESSOR37NUT-COMPRESSOR38WCI 301777439WCI 530800298541WCI 530327915143WCI 301736944WCI 301201045WCI 301777346WCI 530330382447WCI 32710000148WCI 530330382149WCI 5303296826