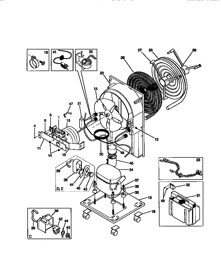
MDD50WF1 04 – UNIT