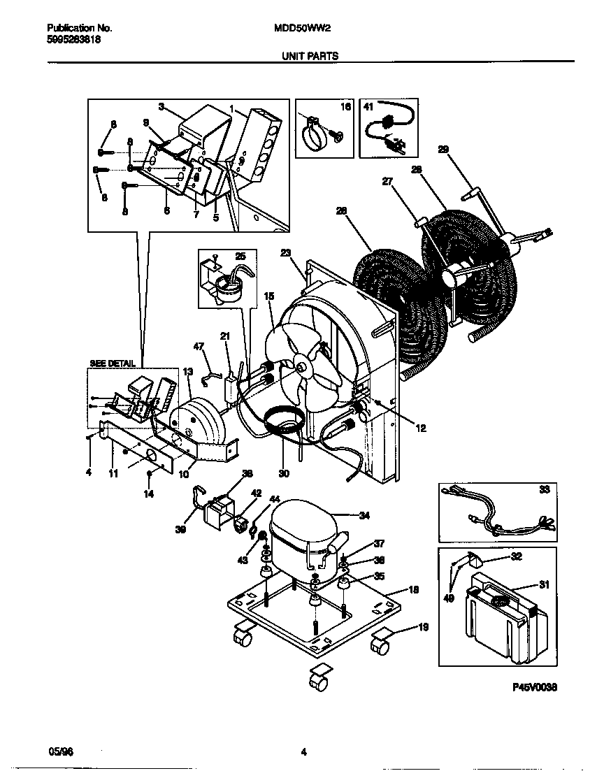
MDD50WW2 03 – UNIT PARTS