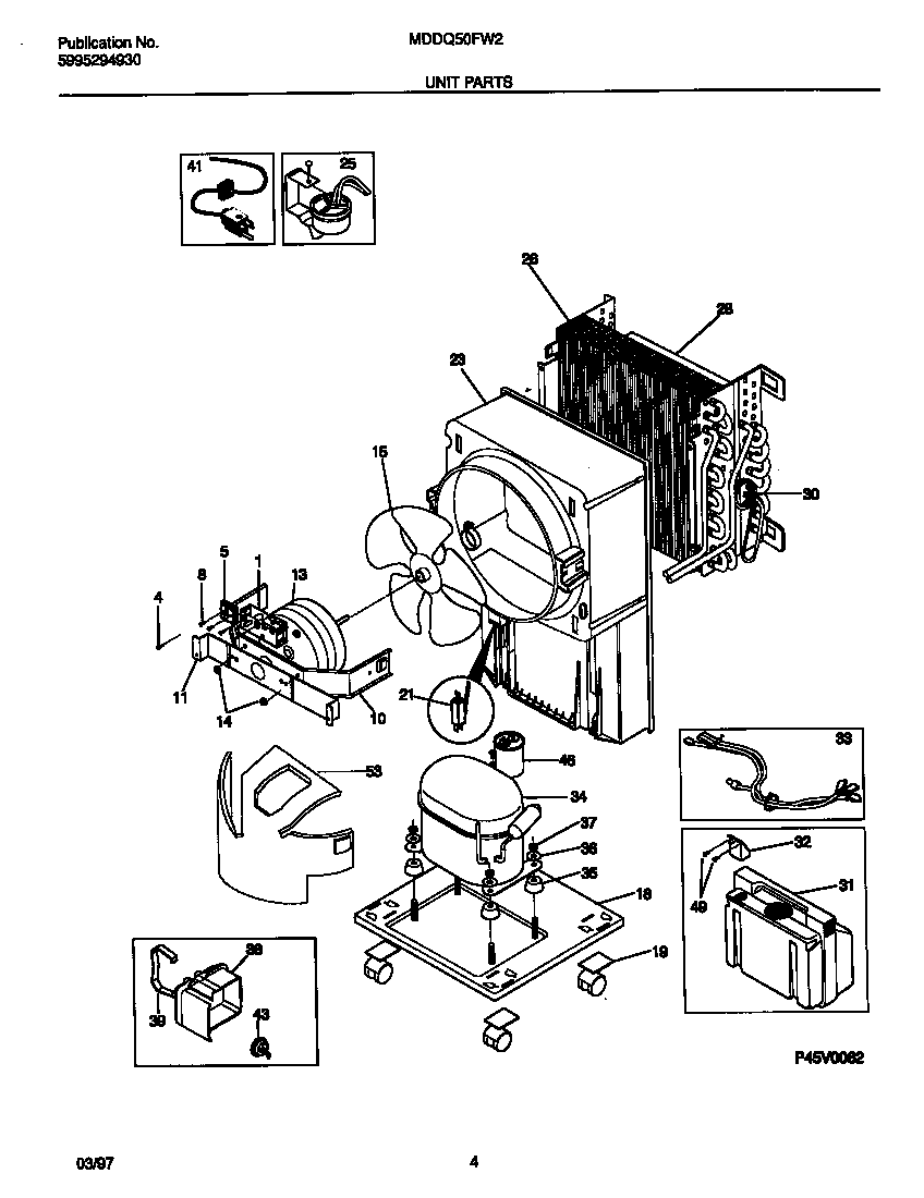
MDDQ50FW2 03 – UNIT PARTSadmin2025-04-26T09:29:42+00:00MDDQ50FW2 03 – UNIT PARTS ProductsPositionProduct1WCI 53032968234WCI 30178055WCI 53030123458WCI 530300762010WCI 32765090111WCI 32735000113WCI 32765040314WCI 0800748115WCI 32765010218WCI 530330350219WCI 530327527821WCI 530801643723WCI 32765000125WCI 530332323326WCI 32765060328WCI 32765070528134178901 Frigidaire Screw30CAPILLARY TUBE30WCI 530329035731WCI 530330567132WCI 530327252033WCI 530332258734WCI 530332330235WCI 530300177736WASHER-COMPRESSOR37NUT-COMPRESSOR38WCI 5303273999395303006412 Frigidaire Refrigerator Cover Mounting Strap41WCI 530327915143WCI 530332258246WCI 530300190249WCI 530329682653WCI 327302202