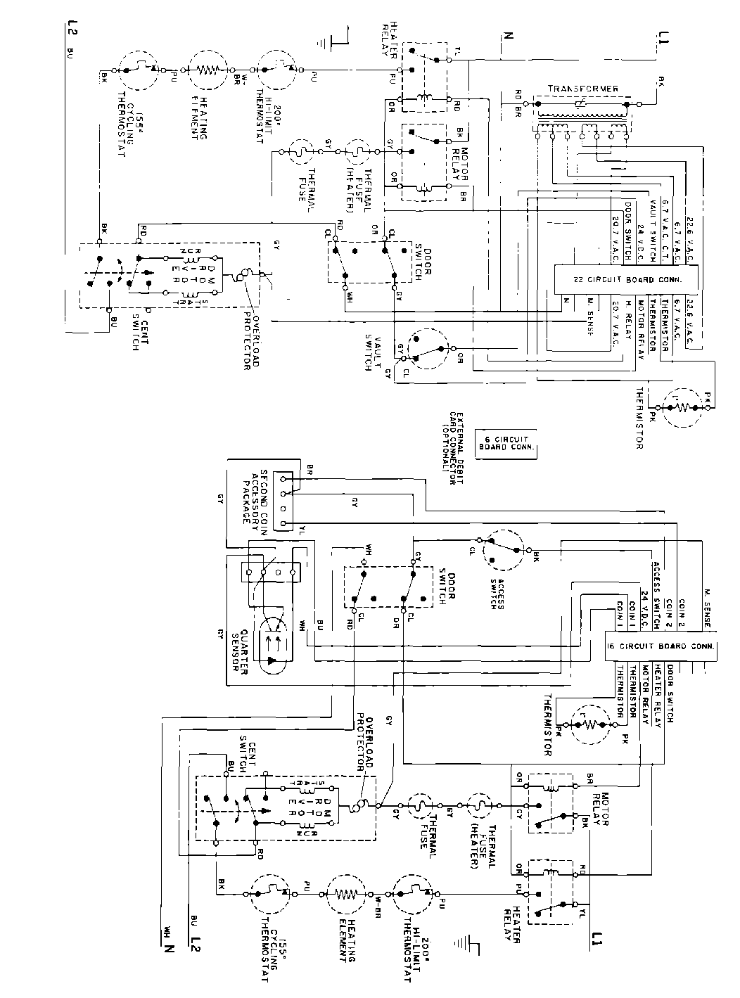
MDE11PDACW 08 – WIRING INFORMATIONadmin2025-04-26T10:09:00+00:00MDE11PDACW 08 – WIRING INFORMATION ProductsPositionProduct001DOWEL PIN FOR HANDLE