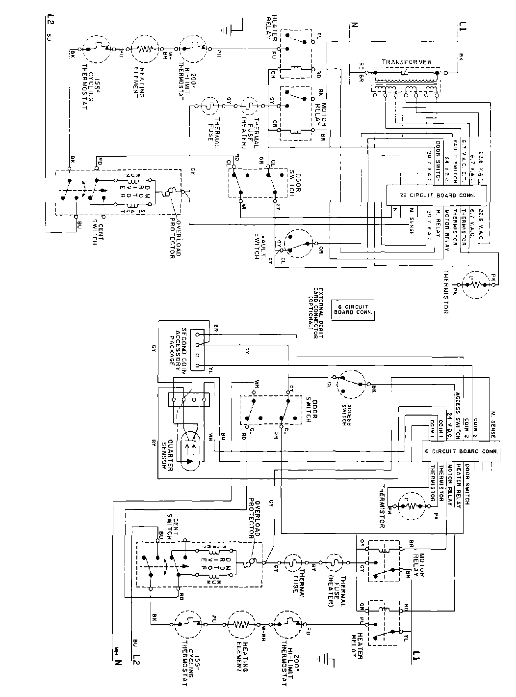
MDE11PDADL 09 – WIRING INFORMATIONadmin2025-04-26T10:06:27+00:00MDE11PDADL 09 – WIRING INFORMATION ProductsPositionProduct001DOWEL PIN FOR HANDLE