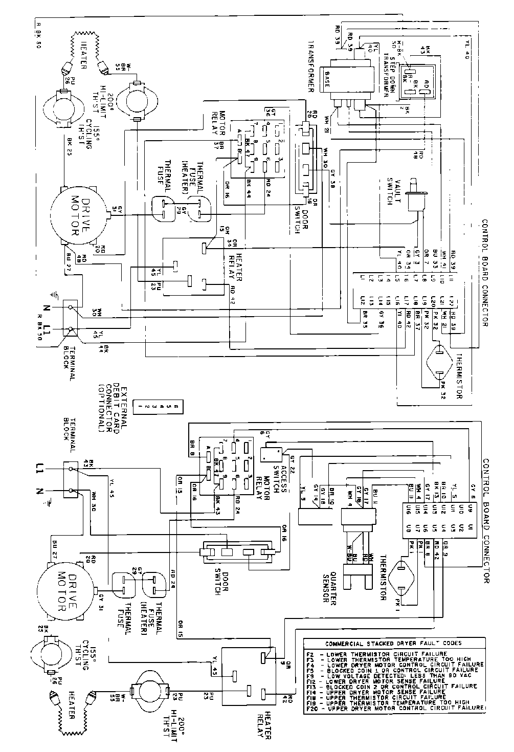
MDE11PDAGW 08 – WIRING INFORMATIONadmin2025-04-26T10:08:14+00:00MDE11PDAGW 08 – WIRING INFORMATION ProductsPositionProduct001DOWEL PIN FOR HANDLE