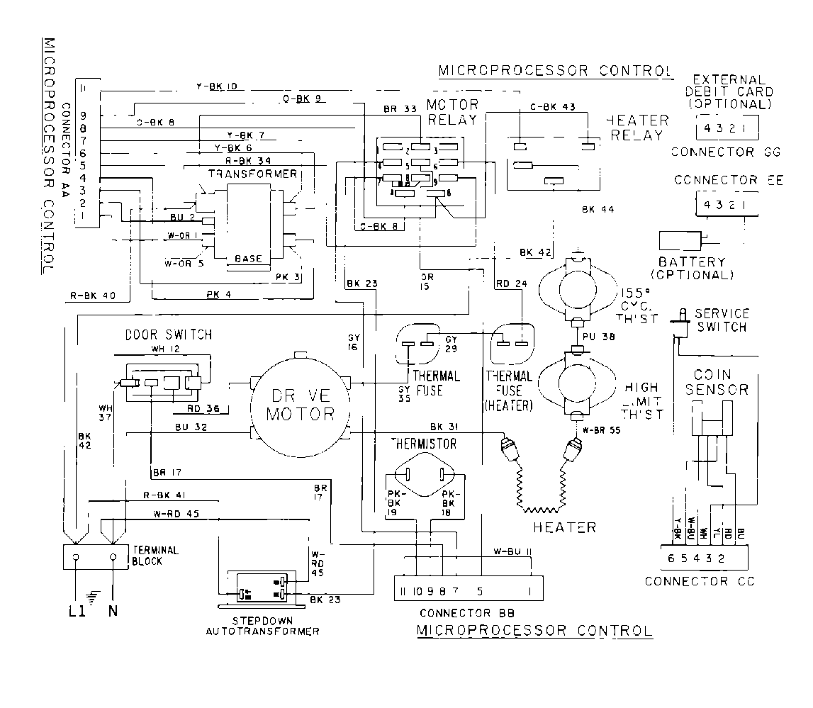
MDE12PSAGW 08 – WIRING INFORMATIONadmin2025-04-26T10:09:39+00:00MDE12PSAGW 08 – WIRING INFORMATION ProductsPositionProduct001DOWEL PIN FOR HANDLE