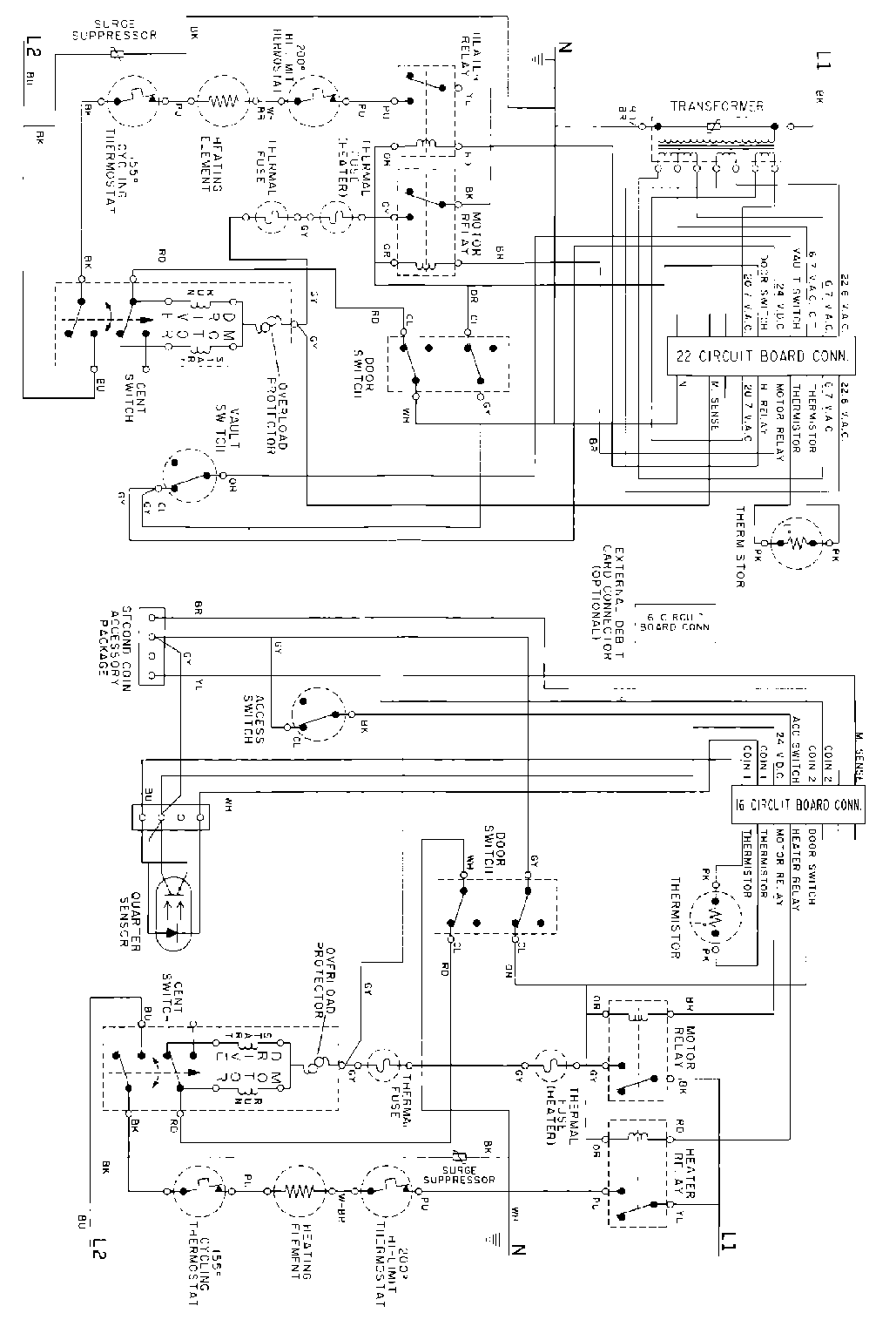
MDE13PDACL 08 – WIRING INFORMATIONadmin2025-04-26T10:10:32+00:00MDE13PDACL 08 – WIRING INFORMATION ProductsPositionProduct001DOWEL PIN FOR HANDLE