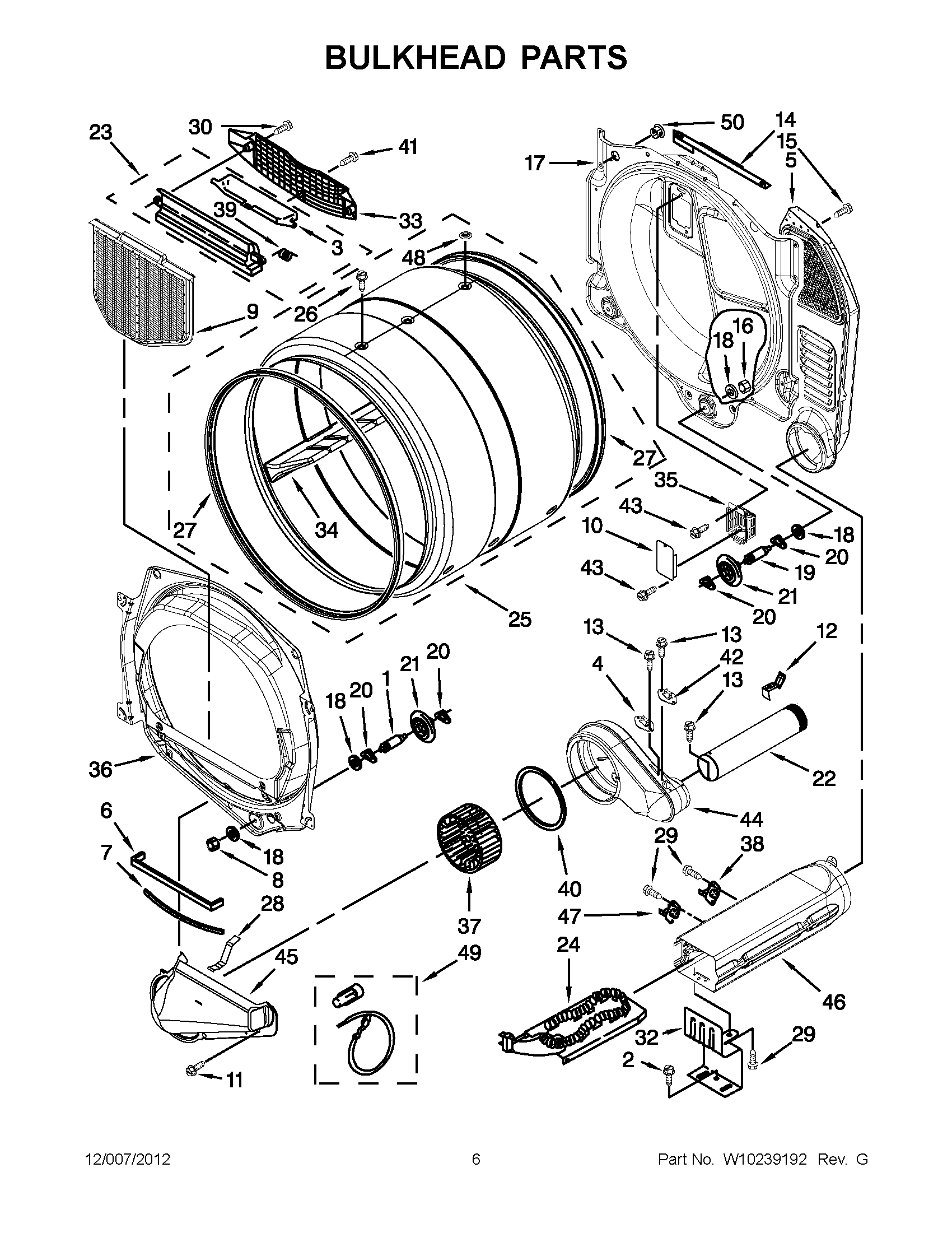
MDE22PDAGW0 03 – BULKHEAD PARTSadmin2025-04-26T09:56:13+00:00MDE22PDAGW0 03 – BULKHEAD PARTS
Products
| Position | Product |
|---|
| 1 | MAY 8575324 |
| 2 | MAY W10080700 |
| 3 | MAY W10181925 |
| 4 | THERMAL-LIMITER (89 C) |
| 5 | ASSEMBLY, AIR DUCT |
| 6 | MAY 697813 |
| 7 | MAY 697814 |
| 8 | NUT, 3/8 X 16 (R.H.) |
| 9 | MAY W10049370 |
| 10 | MAY 3402841 |
| 11 | MAY W10080380 |
| 12 | CLIP, EXHAUST |
| 13 | MAY W10080820 |
| 14 | MAY W10118337 |
| 15 | Screw |
| 16 | MAY W10080190 |
| 17 | MAY W10080170 |
| 18 | MAY W10080960 |
| 19 | MAY 8575325 |
| 20 | WASHER, TRI RING |
| 21 | MAY 8536973 |
| 22 | PIPE, EXHAUST |
| 23 | OUTLET HOUSING ASSEMBLY |
| 24 | Element, Heater |
| 25 | ASSEMBLY, DRUM COMPLETE |
| 26 | MAY W10219342 |
| 27 | MAY W10166807 |
| 28 | CLIP-SPRING |
| 29 | Screw, 6-20 x 3/8 |
| 30 | Screw, 10-16 x 3/4 |
| 32 | MAY W10119253 |
| 33 | MAY W10181926 |
| 34 | MAY W10153409 |
| 35 | MAY 8578825 |
| 36 | MAY 8565061 |
| 37 | MAY W10168564 |
| 38 | Thermal Cut-Off |
| 39 | Spring, Lint Screen Door |
| 40 | SEAL, PLATE COVER |
| 41 | Screw, 8-18 x 1/2 |
| 42 | THERMISTOR |
| 43 | MAY W10080360 |
| 44 | MAY W10119255 |
| 45 | ASSEMBLY, LINT DUCT |
| 46 | HEATER BOX, |
| 47 | THERMOSTAT 250° F / 170F NC |
| 48 | CAP, PLUG |
| 49 | BRACKET, DRUM LIGHT ELEMENT, HEATER PLUG, DRUM HOLE |
| 50 | MAY 8529007 |