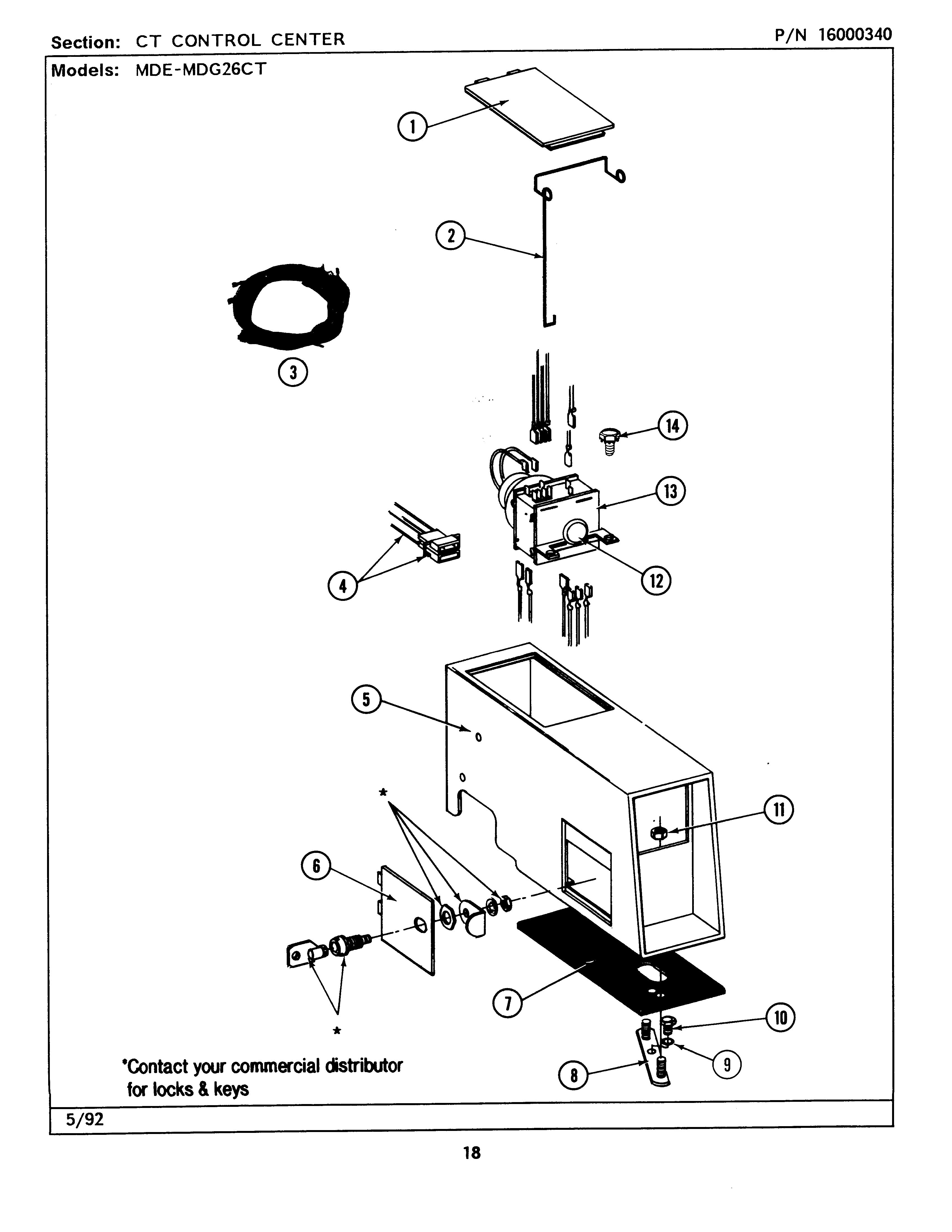
MDE26CTADW 04 – CT CONTROL CENTER